-0%
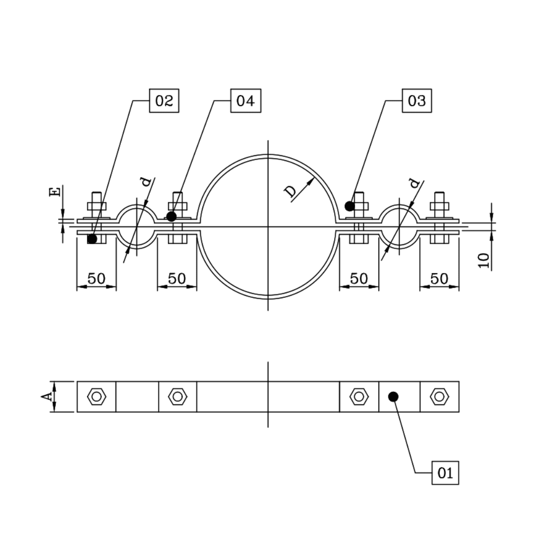
ABRAZADERA PARA PASTORAL DOBLE 3'' 48 152 3/16'' D1AB0316 ARAGCU AP1
ABRAZADERA PARA PASTORAL DOBLE 3'' 48 152 3/16'' D1AB0316 ARAGCU AP2

ABRAZADERA PARA PASTORAL DOBLE 3'' 48 152 3/16'' D1AB0316 ARAGCU AP CONSULTAR STOCK POR SUCURSAL

ARAGCU ALUMBRADO PUBLICO
USD 30.40
Utilizada para fijar y sujetar dos cables o conductores en aplicaciones de tendido eléctrico. construida para resistir condiciones climáticas adversas y la explosión del medio ambiente.


 
MarcaARAGCU
TipoAbrazadera para pastoral doble
CódigoD1AB0316
Medida3''X48MMX152MMX3/16''
MaterialAcero ASTM A-36
NormativaUNE/ANSI-NEMA/ASTM


FICHA TÉCNICA


También Podría Interesarte