-0%
AISLADOR EPOXICO USO INTERIOR TIPO API 1/50 MELBAT1
AISLADOR EPOXICO USO INTERIOR TIPO API 1/50 MELBAT2

AISLADOR EPOXICO USO INTERIOR TIPO API 1/50 MELBAT CONSULTAR STOCK POR SUCURSAL

MELBAT
USD 0.00
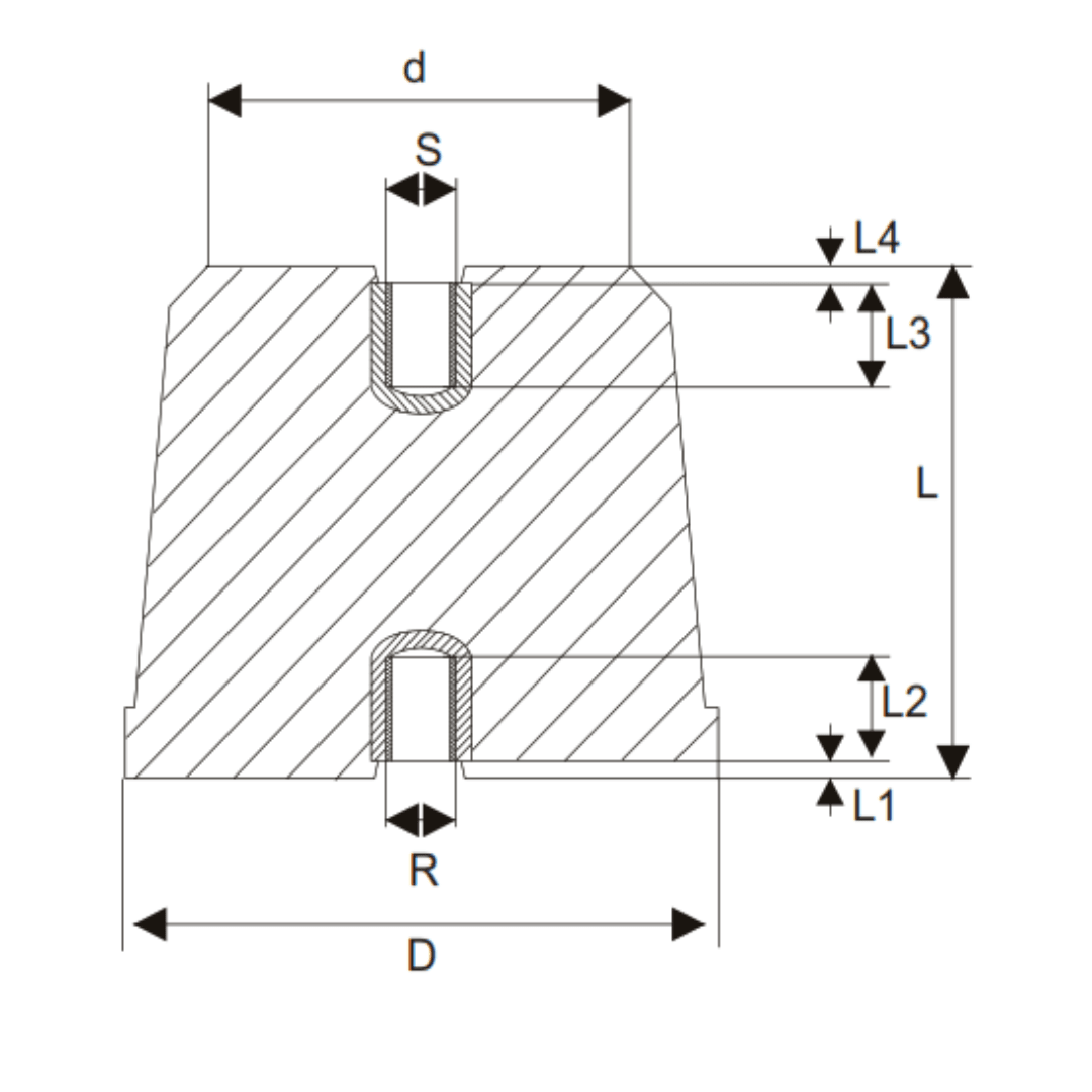
Se fabrica para tensiones de 0,5 a 1.5 Kv y con diseños adecuados para soportar diferentes esfuerzos de rotura. De forma tronco cónica, llevan niples de fijación de bronce y su superficie destaca por su presentación lisa y brillante.


 
MarcaMELBAT
TipoTIPO API 1/50
Tensión nominal1kv
Tensión Máxima1.5kv
Tensión aplicadaEn seco: 39.0kv
En húmedo:28.0kv
Línea de fuga51mms
Resistencia de comprensión25tm
NormativaUNE 21-110-83
UNE 21-110-82
UNE 21-110-90


FICHA TÉCNICA


También Podría Interesarte