-0%
AISLADOR SOPORTE USO EXTERIOR DE PORCELANA TIPO 15.36.01 MELBAT1
AISLADOR SOPORTE USO EXTERIOR DE PORCELANA TIPO 15.36.01 MELBAT2

AISLADOR SOPORTE USO EXTERIOR DE PORCELANA TIPO 15.36.01 MELBAT CONSULTAR STOCK POR SUCURSAL

MELBAT
USD 0.00
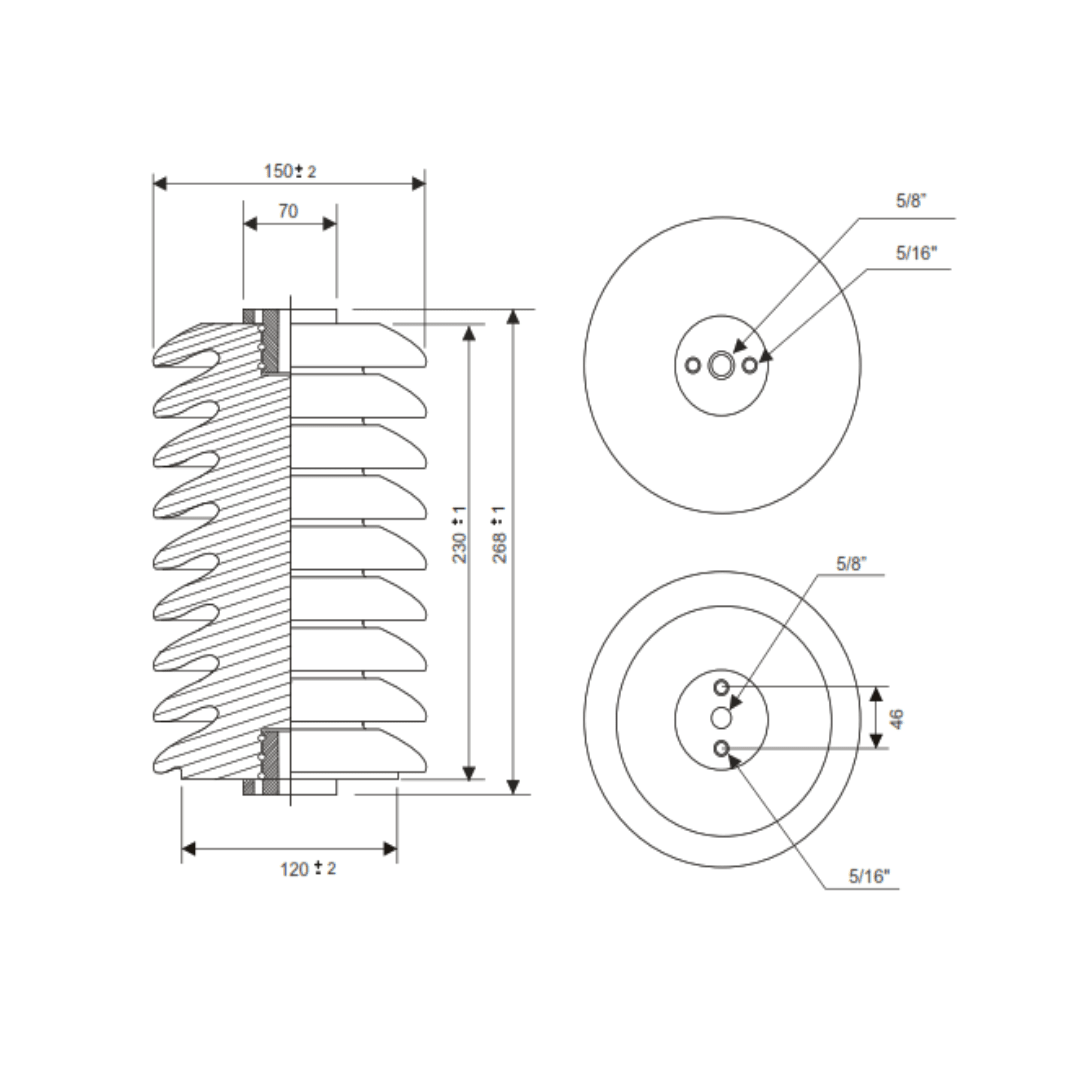
Son fabricados en porcelana por prestigiosas empresas de Brasil, especialmente para MELBAT SAC. Tienen larga línea de fuga y son comercializados en tensiones de 15, 25 y 36 KV. Se presentan con herrajes de bronce o de fierro fundido, a solicitud expresa del cliente. Vienen de color marrón.


 
MarcaMELBAT
ModeloTIPO 15.36.01
Tensión de servicio
36kv
Línea de fuga
670mm
colorMarrón


FICHA TÉCNICA


También Podría Interesarte