-0%
BASE PORTAFUSIBLE DE RESINA EPOXICA ARALDIT DE 24KV/200AMP BPF-24-200 FARCOTEC1

BASE PORTAFUSIBLE DE RESINA EPOXICA ARALDIT DE 24KV/200AMP BPF-24-200 FARCOTEC CONSULTAR STOCK POR SUCURSAL

FARCOTEC
USD 458.25

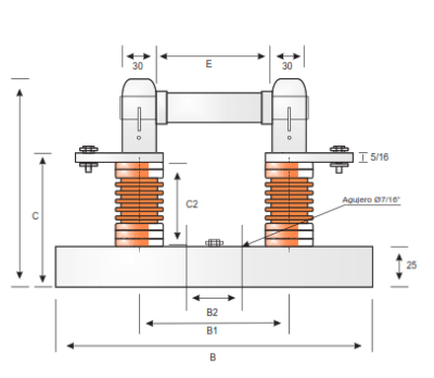
Zócalo de hierro perfilado y tratado, aisladores cilíndricos aletados, en resina epoxi con insertos metálicos, contactos de cobre electrolítico de gran pureza, plateados, pinza de presión y sujetador de pinza, con recubrimientos adecuados y sobredimensionados.
Chasis de plancha de fierro doblada, sometida a un proceso de limpieza profunda, y aplicación de pintura en polvo electrostática y acabado al horno.
Provista de perno de puesta a tierra.
Aisladores de Resina Epóxica
Platina de Gancho de Cu 3x30mm.
Platina de Barra de Cu 5x40mm.
Resortes y distanciadores.

Base600mm
Altura352mm
interior500mm
UsoInterior para Barras y Celdas


FICHA TÉCNICA

También Podría Interesarte