-0%
BISAGRAS CORREA TORCIDA MODELO GD-42S ARAGCU HE1
BISAGRAS CORREA TORCIDA MODELO GD-42S ARAGCU HE2

BISAGRAS CORREA TORCIDA MODELO GD-42S ARAGCU HE CONSULTAR STOCK POR SUCURSAL

ARAGCU HERRAJES
USD 126.00
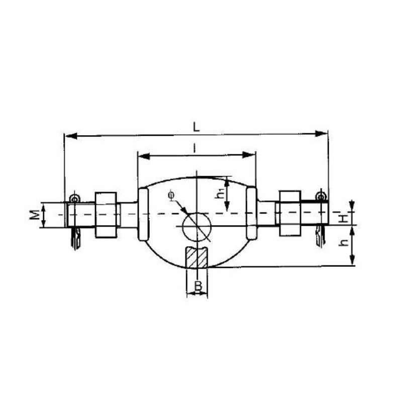
Las bisagras de conexión de torre de línea de transmisión de postes se utilizan en líneas de postes de alto voltaje para conectar cadenas de aisladores de accesorios de energía a la torre. Es principalmente adecuado para colgar una cadena de aisladores de suspensión (compuesta por un aislador de suspensión y una abrazadera de suspensión) en el conductor sujeto al poste o torre; por otro lado, también se utilizan para colgar una cuerda de aislador de tensión (compuesta por un aislador de suspensión y una abrazadera de tensión) en el conductor de tensión sujeto al poste o torre.El pasador de chaveta está hecho de acero inoxidable, otras partes están hechas de gota galvanizada en caliente acero forjado.  


FICHA TÉCNICA

Cat.   NoDimensiones(mm)U.T.S
(KN)
Peso (kg)
LIØMHBhh1
GD-42S
2781303936123245364204.2 


También Podría Interesarte