-0%
BORNERA PARA MOTOR TIPO CTCI-4-5/16'' MELBAT2
BORNERA PARA MOTOR TIPO CTCI-4-5/16'' MELBAT1

BORNERA PARA MOTOR TIPO CTCI-4-5/16'' MELBAT CONSULTAR STOCK POR SUCURSAL

MELBAT
USD 0.00
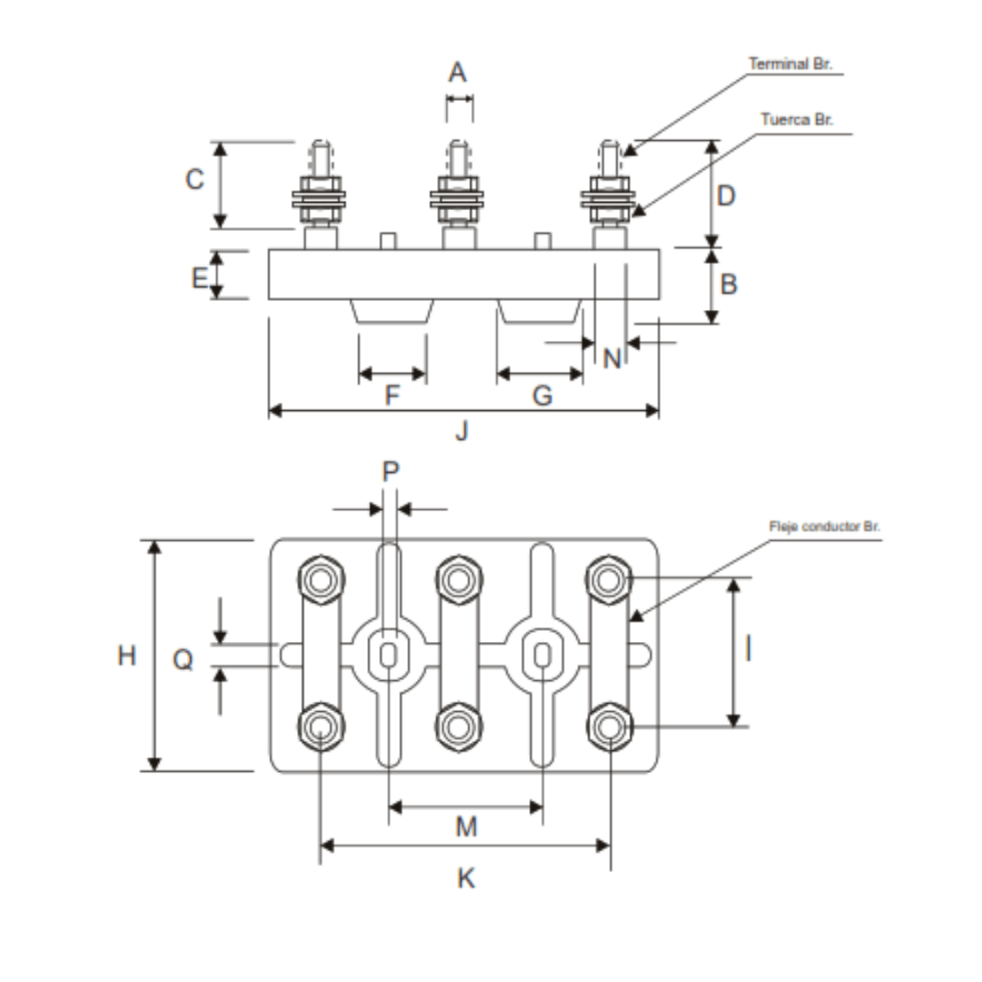
Fabricamos borneras para diferentes aplicaciones, como por ejemplo motores, transformadores de potencia, o diversos equipos eléctricos o eléctronicos que requieran su uso.  El material aislante utilizado es una resina epóxica de excelentes propiedades mecánicas y dieléctricas. Los conductores son de bronce y la fijación de éstos, a través del aislador, garantiza la no existencia de filtraciones gracias al sellado interior obtenido mediante el uso de empaquetaduras y sellos. Además de los modelos producidos en serie, se fabrican de diferentes tipos y tamaños, de acuerdo a las necesidades especificas de cada cliente.


 
MarcaMELBAT
TipoCTCI-4-5/16''
Pulgadas5/16''
Amperaje100amp


FICHA TÉCNICA


También Podría Interesarte