-0%
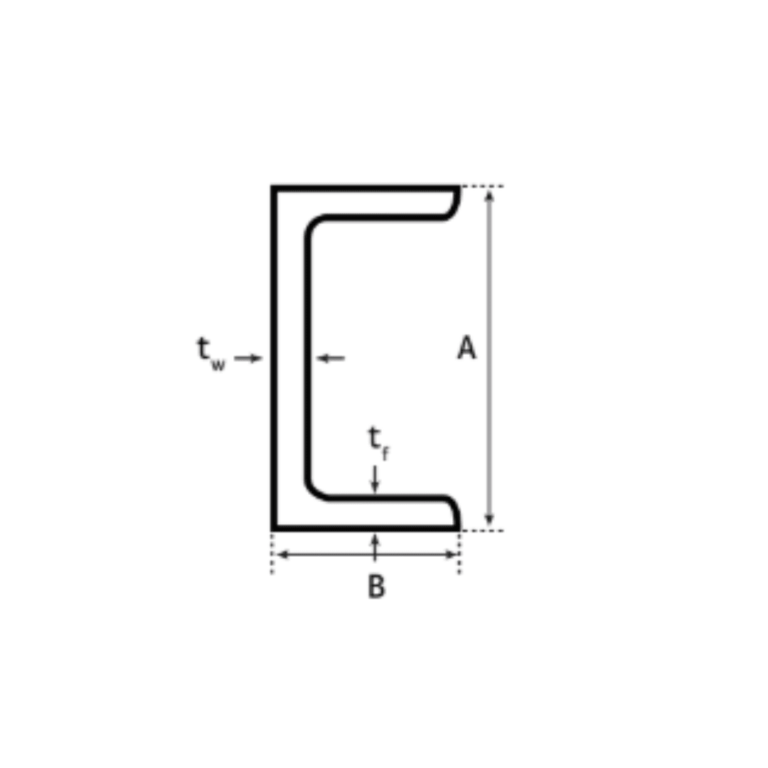
CANALES U ESTRUCTURAL A36 10''X25.00 LB/PIE ACEROS AREQUIPA1
CANALES U ESTRUCTURAL A36 10''X25.00 LB/PIE ACEROS AREQUIPA2

CANALES U ESTRUCTURAL A36 10''X25.00 LB/PIE ACEROS AREQUIPA CONSULTAR STOCK POR SUCURSAL

ACEROS AREQUIPA
USD 186.19
Descripción

Producto laminado en caliente con sección en forma de “U” (con alas paralelas), de calidad dual porque cumple con las normas ASTM A36 y ASTM A572 Grado 50 simultáneamente.

Denominación

C(U) A36. C(U) DUAL A36/A572 – G50.

Normas técnicas

Composición Química y Propiedades Mecánicas:
ASTM A36/A36M–19, ASTM A572/A572M-21e1, NTC 1920:2020 y  NTC 1985:2020

Tolerancia Dimensional: ASTM A6/A6M–19 y NTC 4537:2020.

Presentación

Se comercializa en barras de 6 metros. Se suministra en paquetes de 1t. 

Uso

En estructuras metálicas, puertas grandes, rejas y cercos de mayor tamaño, etc


FICHA TÉCNICA

MarcaAceros Arequipa
ModeloU
AcabadoLaminado en caliente
NormativaASTM A36
ASTM A36/A572 - G50
Tipo De MaterialAcero
Medidas10''X25.00
País De FabricaciónPerú

También Podría Interesarte