-0%
CANALES U ESTRUCTURAL A36 8''X13.75 LB/PIE ACEROS AREQUIPA2
CANALES U ESTRUCTURAL A36 8''X13.75 LB/PIE ACEROS AREQUIPA1

CANALES U ESTRUCTURAL A36 8''X13.75 LB/PIE ACEROS AREQUIPA CONSULTAR STOCK POR SUCURSAL

ACEROS AREQUIPA
USD 102.40
Descripción

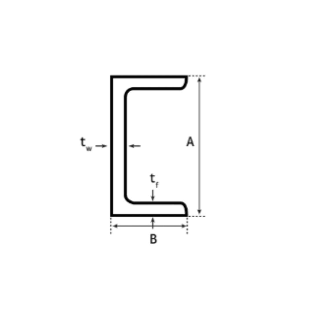
Producto laminado en caliente con sección en forma de “U” (con alas paralelas), de calidad dual porque cumple con las normas ASTM A36 y ASTM A572 Grado 50 simultáneamente.

Denominación

C(U) A36. C(U) DUAL A36/A572 – G50.

Normas técnicas

Composición Química y Propiedades Mecánicas:
ASTM A36/A36M–19, ASTM A572/A572M-21e1, NTC 1920:2020 y  NTC 1985:2020

Tolerancia Dimensional: ASTM A6/A6M–19 y NTC 4537:2020.

Presentación

Se comercializa en barras de 6 metros. Se suministra en paquetes de 1t. 

Uso

En estructuras metálicas, puertas grandes, rejas y cercos de mayor tamaño, etc


FICHA TÉCNICA


MarcaAceros Arequipa
ModeloU
AcabadoLaminado en caliente
NormativaASTM A36
ASTM A36/A572 - G50
Tipo De MaterialAcero
Medidas8''X13.75
País De FabricaciónPeru


También Podría Interesarte