-0%
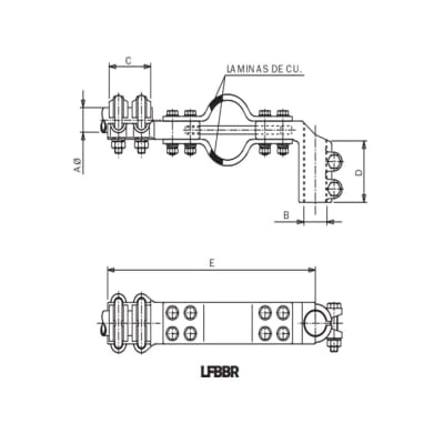
CONECTOR A 90°DE DITALACION CON GUIA PARA UNION DE BORNA ROSCADA A TUBO LFBBR-60M20 ARAGCU AS1

CONECTOR A 90°DE DITALACION CON GUIA PARA UNION DE BORNA ROSCADA A TUBO LFBBR-60M20 ARAGCU AS CONSULTAR STOCK POR SUCURSAL

ARAGCU SUBESTACIONES
USD 180.00
Los conectores de bronce son aptos para conexiones Cu.-Cu. entre los equipos y embarrados de SE´s de hasta 132KV. Su diseño y materiales empleados (2 o 3 tapetas independientes, Bronce: aleación de Cu. al 85%) garantizan el buen contacto y evitan las tensiones mecánicas   


FICHA TÉCNICA


ReferenciaDimensiones mm.Par de   apriete
Pareja de serraje
(kg.m)
BCDE

LFBBR-60M20
60M-2080503173


También Podría Interesarte