-0%
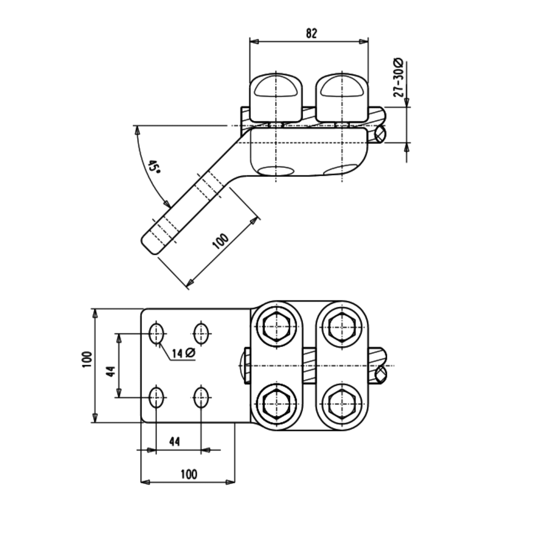
CONECTOR ACODADO 45° CABLE A PLETINA MLCP45-3066 ARAGCU AS1

CONECTOR ACODADO 45° CABLE A PLETINA MLCP45-3066 ARAGCU AS CONSULTAR STOCK POR SUCURSAL

USD 240.00
Los conectores son empleados internacionalmente tanto para las conexiones Al.-Al. y Al.-Cu. por su fiabilidad e inmejorable comportamiento a efectos eléctricos y mecánicos. El diseño de estos conectores es tal que permite su aplicación en AT y MAT al encontrarse libres de la aparición de los efectos CORONA y/o RIV.  


FICHA TÉCNICA


ReferenciaDimensiones mm.Par de apriete
Pareja de serraje
(kg.m)
BCDE
Min.Max
MLCP-3066
2730606015823


También Podría Interesarte