-0%
CONECTOR ACODADO 90° TUBO A BORNA MLBBT-15030 ARAGCU AS1
CONECTOR ACODADO 90° TUBO A BORNA MLBBT-15030 ARAGCU AS2
CONECTOR ACODADO 90° TUBO A BORNA MLBBT-15030 ARAGCU AS3

CONECTOR ACODADO 90° TUBO A BORNA MLBBT-15030 ARAGCU AS CONSULTAR STOCK POR SUCURSAL

ARAGCU SUBESTACIONES
USD 1, 800.00
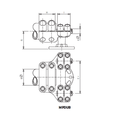
Los conectores son empleados internacionalmente tanto para las conexiones Al.-Al. y Al.-Cu. por su fiabilidad e inmejorable comportamiento a efectos eléctricos y mecánicos. El diseño de estos conectores es tal que permite su aplicación en AT y MAT al encontrarse libres de la aparición de los efectos CORONA y/o RIV.  


FICHA TÉCNICA


ReferenciaDimensiones mm.Par de   apriete
Pareja de serraje
(kg.m)

CD
AB
MLBBT-15030
150309012075


También Podría Interesarte