-0%
CONECTOR ACODADO A 90° CABLE DUPLEX A CABLE MLD3C-3243 ARAGCU AS2
CONECTOR ACODADO A 90° CABLE DUPLEX A CABLE MLD3C-3243 ARAGCU AS1

CONECTOR ACODADO A 90° CABLE DUPLEX A CABLE MLD3C-3243 ARAGCU AS CONSULTAR STOCK POR SUCURSAL

ARAGCU SUBESTACIONES
USD 1, 500.00

Los conectores son empleados internacionalmente tanto para las conexiones Al.-Al. y Al.-Cu. por su fiabilidad e inmejorable comportamiento a efectos eléctricos y mecánicos. El diseño de estos conectores es tal que permite su aplicación en AT y MAT al encontrarse libres de la aparición de los efectos CORONA y/o RIV.


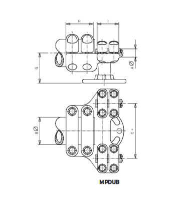
FICHA TÉCNICA



ReferenciaDimensiones mm.Par de apriete
Pareja de serraje
(kg.m)
CDEAB
Min.MaxMin.Max
MLD3C-3243
31324043SEGUN
NOTA
13813855




Nota
D*
1=100mm
15=150mm
2=200mm
3=300mm
33=330mm
4=400mm
45=450mm

También Podría Interesarte