-0%
CONECTOR ACODADO A 90° CABLE DUPLEX A PLETINA MLD3P-3255 ARAGCU AS2
CONECTOR ACODADO A 90° CABLE DUPLEX A PLETINA MLD3P-3255 ARAGCU AS1

CONECTOR ACODADO A 90° CABLE DUPLEX A PLETINA MLD3P-3255 ARAGCU AS CONSULTAR STOCK POR SUCURSAL

ARAGCU SUBESTACIONES
USD 600.00
Los conectores son empleados internacionalmente tanto para las conexiones Al.-Al. y Al.-Cu. por su fiabilidad e inmejorable comportamiento a efectos eléctricos y mecánicos. El diseño de estos conectores es tal que permite su aplicación en AT y MAT al encontrarse libres de la aparición de los efectos CORONA y/o RIV.   


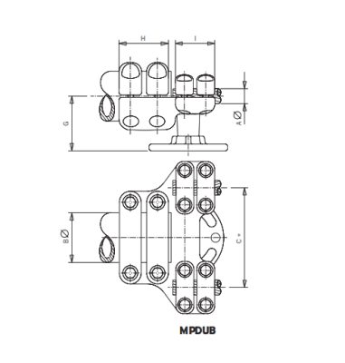
FICHA TÉCNICA


ReferenciaDimensionesPar de apriete
Pareja de serraje
(kg.m)
BCD*EF
Min.Max
MLD3P-3255
31328080SEGUN
NOTA
151385


Nota
D*
1=100mm
15=150mm
2=200mm
3=300mm
33=330mm
4=400mm
45=450mm

También Podría Interesarte