-0%
CONECTOR RECTO DUPLEX CU A PLETINA CU Ø:500/100MM RD3P.*-50066 ARAGCU AS1

CONECTOR RECTO DUPLEX CU A PLETINA CU Ø:500/100MM RD3P.*-50066 ARAGCU AS CONSULTAR STOCK POR SUCURSAL

ARAGCU SUBESTACIONES
USD 180.00
Los conectores de bronce son aptos para conexiones Cu.-Cu. entre los equipos y embarrados de SE´s de hasta 132KV. Su diseño y materiales empleados (2 o 3 tapetas independientes, Bronce: aleación de Cu. al 85%) garantizan el buen contacto y evitan las tensiones mecánicas 


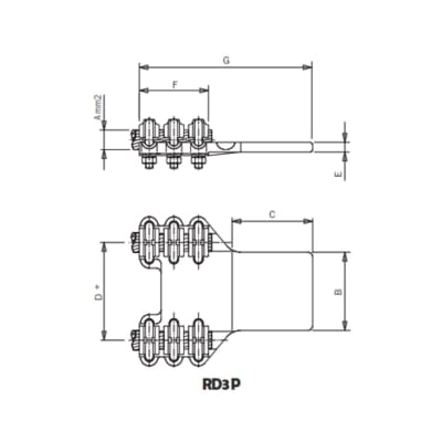
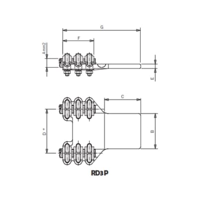
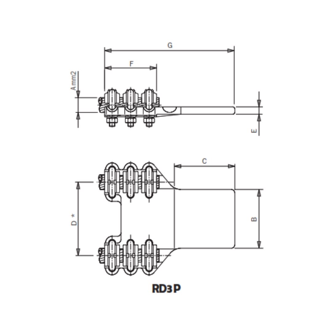
FICHA TÉCNICA


Referenciamm2mmPar de   apriete
Pareja de serraje
(kg.m)
BCD*EFG
A
RD3P.*-50066
500100100SEGUN
NOTA
12942043


También Podría Interesarte