-0%
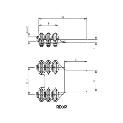
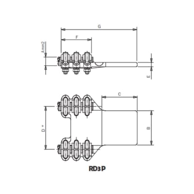
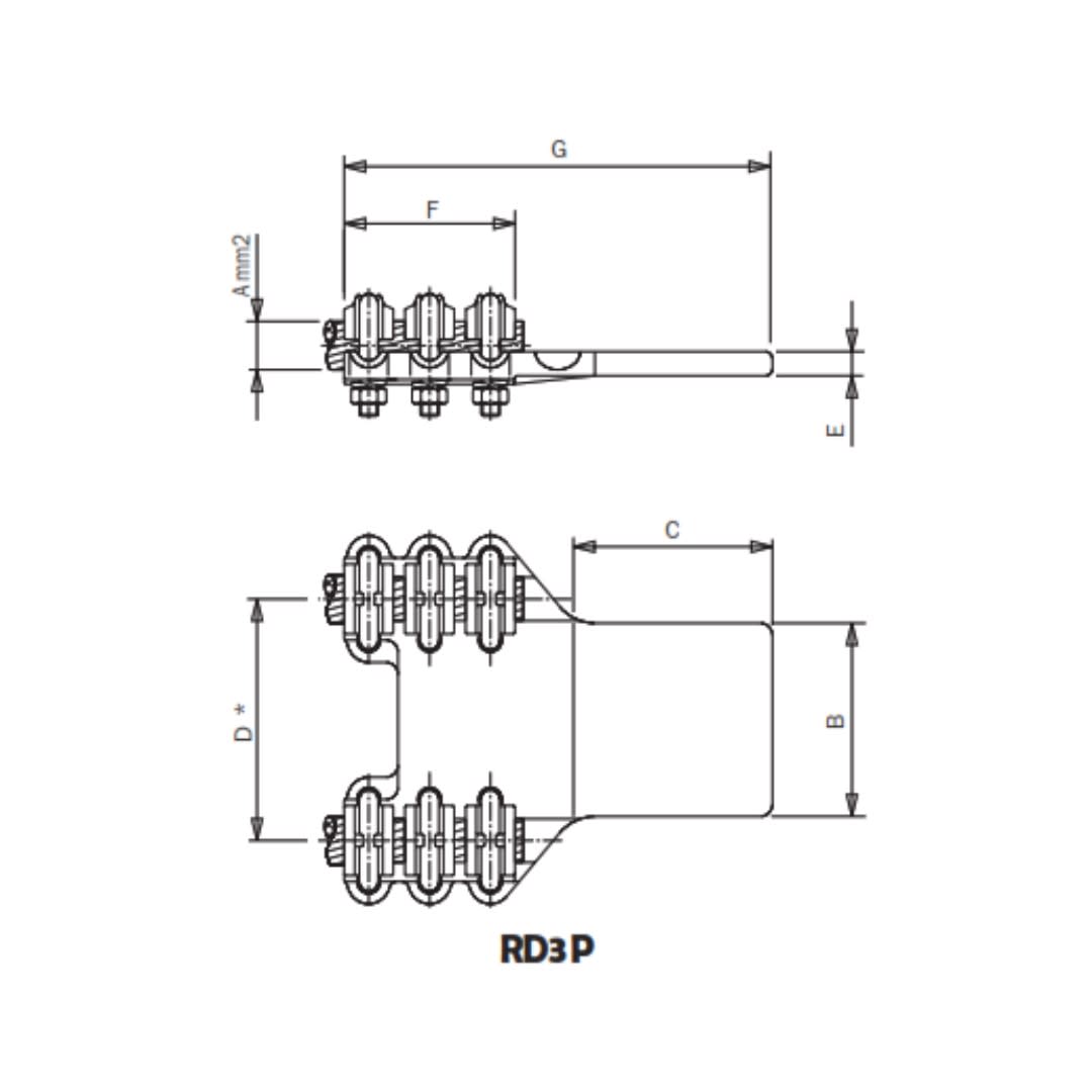
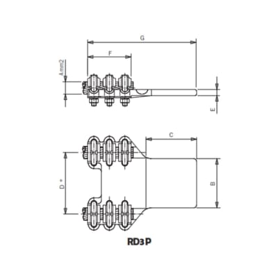
CONECTOR RECTO DUPLEX CU A PLETINA CU Ø:95-150/80MM RD3P.*-15055 ARAGCU AS1

CONECTOR RECTO DUPLEX CU A PLETINA CU Ø:95-150/80MM RD3P.*-15055 ARAGCU AS CONSULTAR STOCK POR SUCURSAL

ARAGCU SUBESTACIONES
USD 120.00
Los conectores de bronce son aptos para conexiones Cu.-Cu. entre los equipos y embarrados de SE´s de hasta 132KV. Su diseño y materiales empleados (2 o 3 tapetas independientes, Bronce: aleación de Cu. al 85%) garantizan el buen contacto y evitan las tensiones mecánicas 


FICHA TÉCNICA


Referenciamm2mmPar de   apriete
Pareja de serraje
(kg.m)
BCD*EFG
A
RD3P.*-15055
95-1506080SEGUN
NOTA
8731632


También Podría Interesarte