-0%
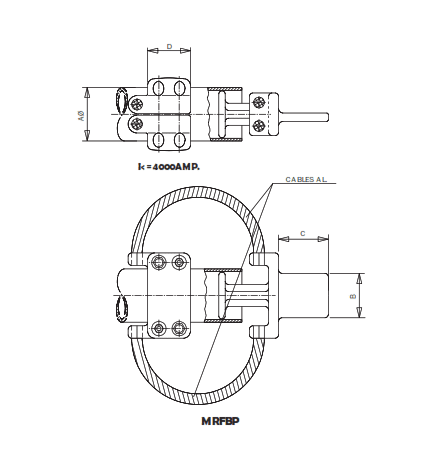
CONECTOR RECTO FLEXIBLE UNION TUBO A PLETINA MRFBP-150106 ARAGCU AS2
CONECTOR RECTO FLEXIBLE UNION TUBO A PLETINA MRFBP-150106 ARAGCU AS1

CONECTOR RECTO FLEXIBLE UNION TUBO A PLETINA MRFBP-150106 ARAGCU AS CONSULTAR STOCK POR SUCURSAL

ARAGCU SUBESTACIONES
USD 1, 050.00
Los conectores son empleados internacionalmente tanto para las conexiones Al.-Al. y Al.-Cu. por su fiabilidad e inmejorable comportamiento a efectos eléctricos y mecánicos. El diseño de estos conectores es tal que permite su aplicación en AT y MAT al encontrarse libres de la aparición de los efectos CORONA y/o RIV.   


FICHA TÉCNICA



ReferenciaDimensiones mm.Par de   apriete
Pareja de serraje
(kg.m)
BCD
A
MRFBP-150106
1502001001207


También Podría Interesarte