-0%
CONECTOR RECTO TUBO A PLETINA MRBP-4066 ARAGCU AS1
CONECTOR RECTO TUBO A PLETINA MRBP-4066 ARAGCU AS2
CONECTOR RECTO TUBO A PLETINA MRBP-4066 ARAGCU AS3
CONECTOR RECTO TUBO A PLETINA MRBP-4066 ARAGCU AS4

CONECTOR RECTO TUBO A PLETINA MRBP-4066 ARAGCU AS CONSULTAR STOCK POR SUCURSAL

ARAGCU SUBESTACIONES
USD 250.00
Los conectores son empleados internacionalmente tanto para las conexiones Al.-Al. y Al.-Cu. por su fiabilidad e inmejorable comportamiento a efectos eléctricos y mecánicos. El diseño de estos conectores es tal que permite su aplicación en AT y MAT al encontrarse libres de la aparición de los efectos CORONA y/o RIV.  


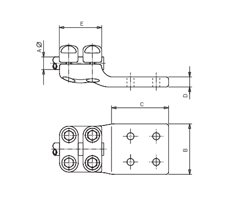
FICHA TÉCNICA


ReferenciaMMPar de apriete
Pareja de serraje
(kg.m)
BCDE
MRBP-4066
4010010020855


También Podría Interesarte