-0%
CONECTOR RECTO UNION BORNA ROSCADA A PLETINA CU Ø:M-20/60MM RBRP-M2044 ARAGCU AS1

CONECTOR RECTO UNION BORNA ROSCADA A PLETINA CU Ø:M-20/60MM RBRP-M2044 ARAGCU AS CONSULTAR STOCK POR SUCURSAL

ARAGCU SUBESTACIONES
USD 180.00

Los conectores de bronce son aptos para conexiones Cu.-Cu. entre los equipos y embarrados de SE´s de hasta 132KV. Su diseño y materiales empleados (2 o 3 tapetas independientes, Bronce: aleación de Cu. al 85%) garantizan el buen contacto y evitan las tensiones mecánicas. 


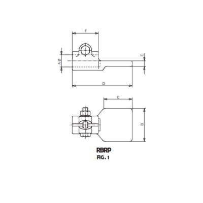
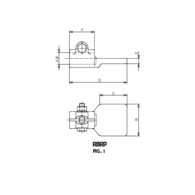
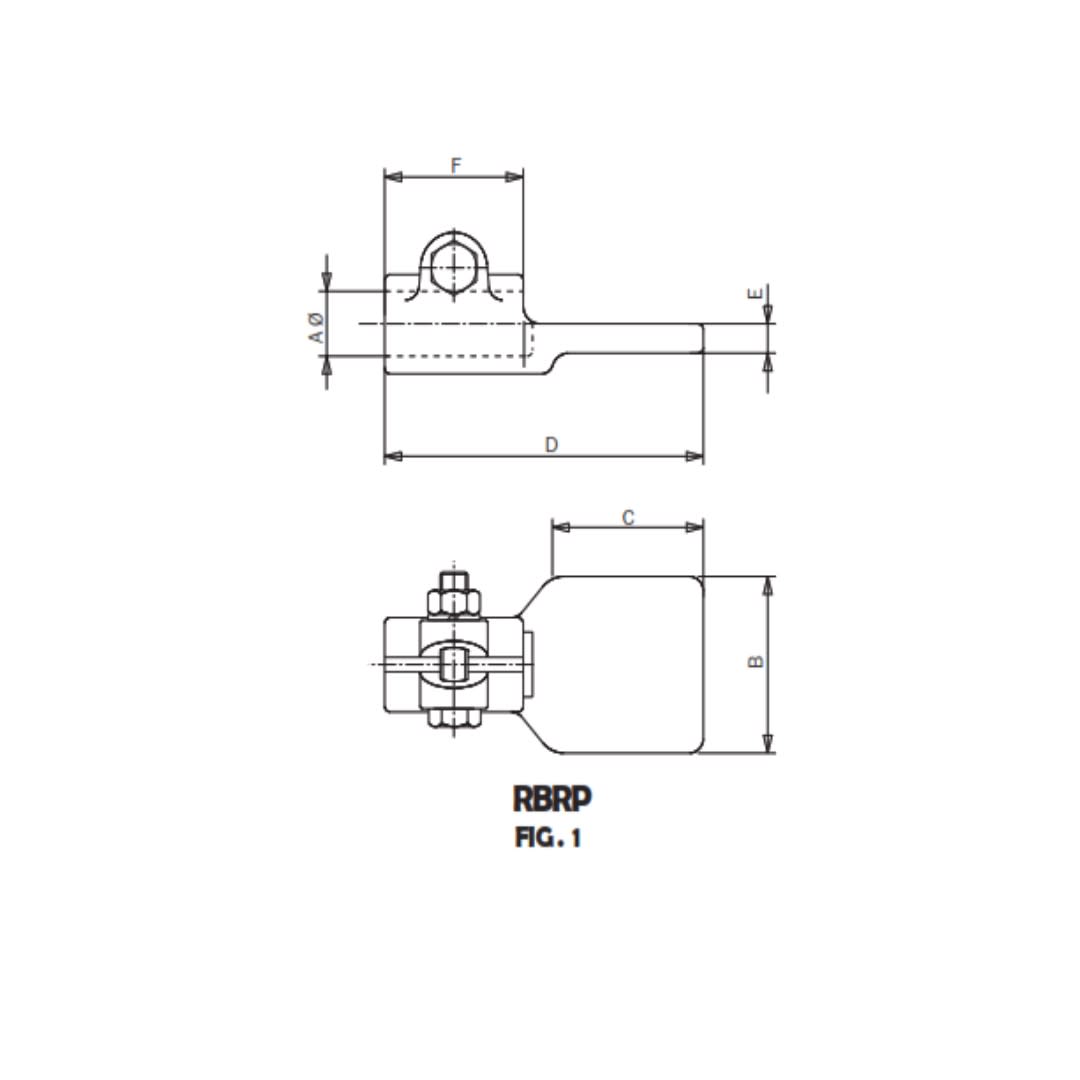
FICHA TÉCNICA


ReferenciaDimensiones mmPar de apriete
Pareja de serraje
(kg.m)
ABCDEF

RBRP-M2044
M-20606012011523


También Podría Interesarte