-0%
CONECTOR RECTO UNION CABLE CU A PLETINA Ø:300-400MM RCP-40066 ARAGCU AS2
CONECTOR RECTO UNION CABLE CU A PLETINA Ø:300-400MM RCP-40066 ARAGCU AS1

CONECTOR RECTO UNION CABLE CU A PLETINA Ø:300-400MM RCP-40066 ARAGCU AS CONSULTAR STOCK POR SUCURSAL

ARAGCU SUBESTACIONES
USD 120.00
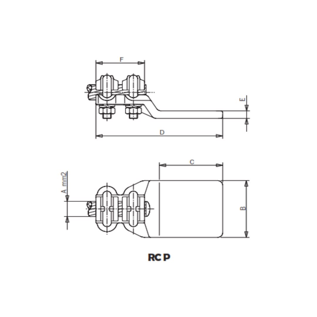
Los conectores de bronce son aptos para conexiones Cu.-Cu. entre los equipos y embarrados de SE´s de hasta 132KV. Su diseño y materiales empleados (2 o 3 tapetas independientes, Bronce: aleación de Cu. al 85%) garantizan el buen contacto y evitan las tensiones mecánicas.  


FICHA TÉCNICA


Referenciamm2Dimensiones mm.Par de apriete
Pareja de serraje
(kg.m)
BCDEFINT.
A
RCP-40066
300-40010010017010558002

También Podría Interesarte