-0%
CONECTORES ANTICORONA EN T CABLE-PLATINA C:240-304MM P:100X100X15MM MODELO AP351.461 ARAGCU EI1

CONECTORES ANTICORONA EN T CABLE-PLATINA C:240-304MM P:100X100X15MM MODELO AP351.461 ARAGCU EI CONSULTAR STOCK POR SUCURSAL

ARAGCU SUBESTACIONES EI
USD 480.00
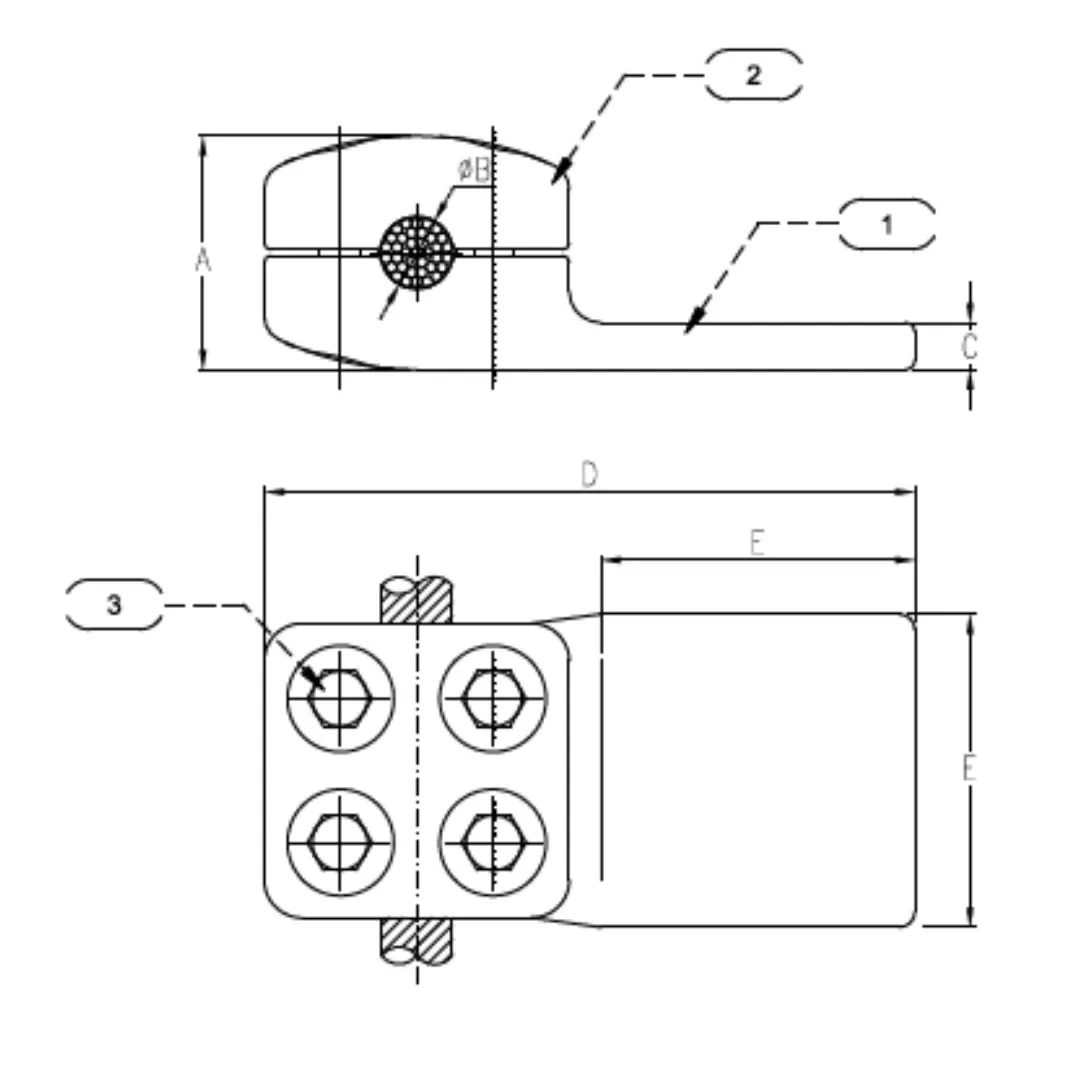
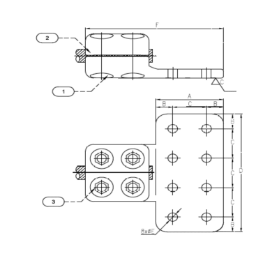
Suministro de Conectores para Subestación hasta 500 KV Fabricación de conectores en aleación de aluminio (referencial ASTM A356-T6). Diseño y pruebas Riso de temperatura referencial según Estándar ANSI NEMA CC1-2018. Ampacidad del conector garantizado 150 % I nominal (referencial según lo indicado Anexo B Estándar ANSI NEMA CC1-2018). Diseño redondeado y con perneria embutida - libre de efecto corona. Diseño bajo el concepto de ánodo masivo. DiseñodesoportabilidadporcortocircuitoreferecialanormanivelesdeincrementodetemperaturasegúnIEC61238,confuerzaselectrodinámicascompensadas


 
MarcaARAGCU EI
Tipo de productoConectores anticorona
ModeloAP351.461
MaterialAluminio
Cable240-304MM
Platina100X100X15MM


FICHA TÉCNICA


También Podría Interesarte