-0%
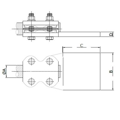
CONECTORES ANTICORONA EN T CABLE-TUBO C:456-507MM T:Ø30MM MODELO 999.10 ARAGCU EI1

CONECTORES ANTICORONA EN T CABLE-TUBO C:456-507MM T:Ø30MM MODELO 999.10 ARAGCU EI CONSULTAR STOCK POR SUCURSAL

ARAGCU SUBESTACIONES EI
USD 480.00
Suministro de Conectores para Subestación hasta 500 KV Fabricación de conectores en aleación de aluminio (referencial ASTM A356-T6). Diseño y pruebas Riso de temperatura referencial según Estándar ANSI NEMA CC1-2018. Ampacidad del conector garantizado 150 % I nominal (referencial según lo indicado Anexo B Estándar ANSI NEMA CC1-2018). Diseño redondeado y con perneria embutida - libre de efecto corona. Diseño bajo el concepto de ánodo masivo. DiseñodesoportabilidadporcortocircuitoreferecialanormanivelesdeincrementodetemperaturasegúnIEC61238,confuerzaselectrodinámicascompensadas


 
MarcaARAGCU EI
Tipo de productoConectores anticorona
Modelo999.10
MaterialAluminio
CableC:456-507MM
TuboT:Ø30MM


FICHA TÉCNICA


También Podría Interesarte