-0%
CONECTORES RECTO CABLE-PLATINA C:120-185MM PLAT:80X80X10MM MODELO 999.12 ARAGCU EI1

CONECTORES RECTO CABLE-PLATINA C:120-185MM PLAT:80X80X10MM MODELO 999.12 ARAGCU EI CONSULTAR STOCK POR SUCURSAL

ARAGCU SUBESTACIONES EI
USD 480.00
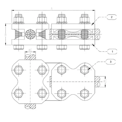
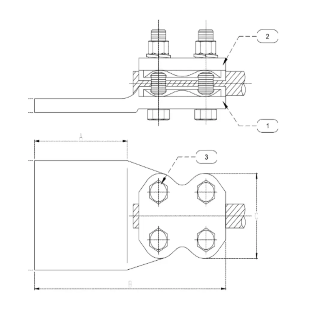
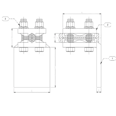
Suministro de Conectores para Subestación hasta 500 KV Fabricación de conectores en aleación de aluminio (referencial ASTM A356-T6). Diseño y pruebas Riso de temperatura referencial según Estándar ANSI NEMA CC1-2018. Ampacidad del conector garantizado 150 % I nominal (referencial según lo indicado Anexo B Estándar ANSI NEMA CC1-2018). Diseño redondeado y con perneria embutida - libre de efecto corona. Diseño bajo el concepto de ánodo masivo. DiseñodesoportabilidadporcortocircuitoreferecialanormanivelesdeincrementodetemperaturasegúnIEC61238,confuerzaselectrodinámicascompensadas


 
MarcaBRANDE
Tipo de productoCable
ModeloN2XSY 2 OHM
MaterialAluminio
Cable C:120-185MM
PlatinaPLAT:80X80X10MM


FICHA TÉCNICA


También Podría Interesarte