-0%
CONECTORES RECTO DE DILATACION T:63MM P:125X125X20MM MODELO 380.098E ARAGCU EI1
CONECTORES RECTO DE DILATACION T:63MM P:125X125X20MM MODELO 380.098E ARAGCU EI2

CONECTORES RECTO DE DILATACION T:63MM P:125X125X20MM MODELO 380.098E ARAGCU EI CONSULTAR STOCK POR SUCURSAL

ARAGCU SUBESTACIONES EI
USD 480.00
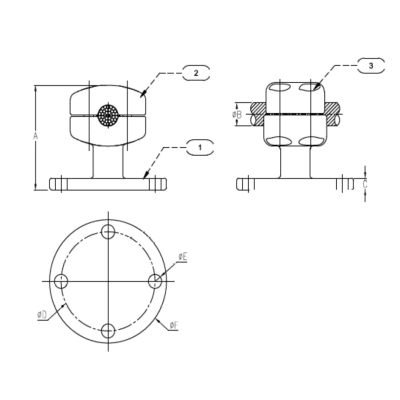
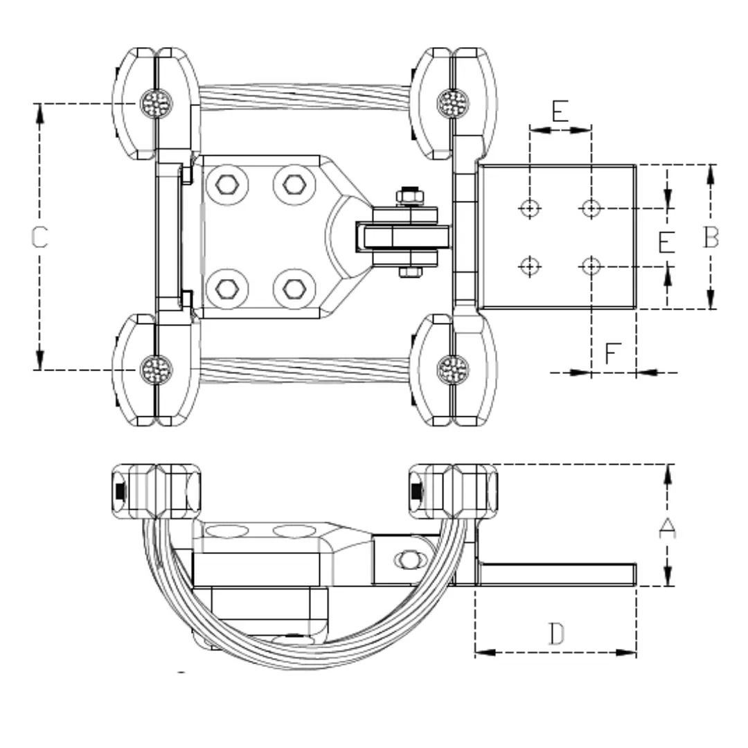
Suministro de Conectores para Subestación hasta 500 KV Fabricación de conectores en aleación de aluminio (referencial ASTM A356-T6). Diseño y pruebas Riso de temperatura referencial según Estándar ANSI NEMA CC1-2018. Ampacidad del conector garantizado 150 % I nominal (referencial según lo indicado Anexo B Estándar ANSI NEMA CC1-2018). Diseño redondeado y con perneria embutida - libre de efecto corona. Diseño bajo el concepto de ánodo masivo. DiseñodesoportabilidadporcortocircuitoreferecialanormanivelesdeincrementodetemperaturasegúnIEC61238,confuerzaselectrodinámicascompensadas


 
MarcaARAGCU EI
Tipo de productoConectores rectos
Modelo380.098E
MaterialAluminio
Tubo63MM
Platina125X125X20MM
Peso7.11kg


FICHA TÉCNICA


También Podría Interesarte