-0%
CONTRAPESOS CILINDRICOS 100KG MODELO CPC-100 ARAGCU AT1
CONTRAPESOS CILINDRICOS 100KG MODELO CPC-100 ARAGCU AT2

CONTRAPESOS CILINDRICOS 100KG MODELO CPC-100 ARAGCU AT CONSULTAR STOCK POR SUCURSAL

ARAGCU ALTA TENSION
USD 4, 000.00

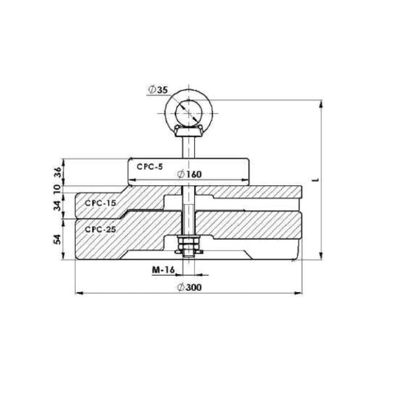
Los contrapesos cilíndricos son utilizados para contrapesar las cadenas de suspensión. Estos elementos se cuelgan de la grapa de suspensión mediante un enganche de contrapeso.

FICHA TÉCNICA


ReferenciaPeso (kg.)Numero de contrapesos
Tornillo CáncamoTamaño (mm.)
CPC-5CPC-15CPC-25L
CPC-100
100--4TC-16-250
300

También Podría Interesarte