-0%
CONTRAPESOS CILINDRICOS 10KG MODELO CPC-10 ARAGCU AT1
CONTRAPESOS CILINDRICOS 10KG MODELO CPC-10 ARAGCU AT2

CONTRAPESOS CILINDRICOS 10KG MODELO CPC-10 ARAGCU AT CONSULTAR STOCK POR SUCURSAL

ARAGCU ALTA TENSION
USD 400.00

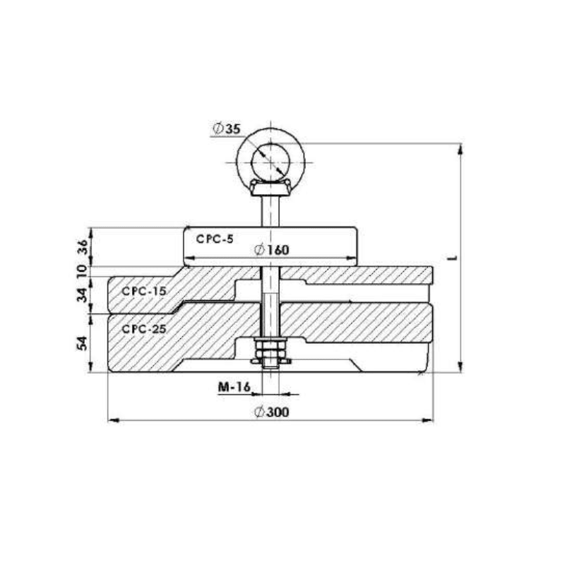
Los contrapesos cilíndricos son utilizados para contrapesar las cadenas de suspensión. Estos elementos se cuelgan de la grapa de suspensión mediante un enganche de contrapeso.

FICHA TÉCNICA


ReferenciaPeso (kg.)Numero de contrapesos
Tornillo CáncamoTamaño (mm.)
CPC-5CPC-15CPC-25L
CPC-10
202--TC-16-100
150

También Podría Interesarte