-0%
CONTRAPESOS CILINDRICOS 120KG MODELO CPC-120 ARAGCU AT1
CONTRAPESOS CILINDRICOS 120KG MODELO CPC-120 ARAGCU AT2

CONTRAPESOS CILINDRICOS 120KG MODELO CPC-120 ARAGCU AT CONSULTAR STOCK POR SUCURSAL

ARAGCU ALTA TENSION
USD 4, 800.00

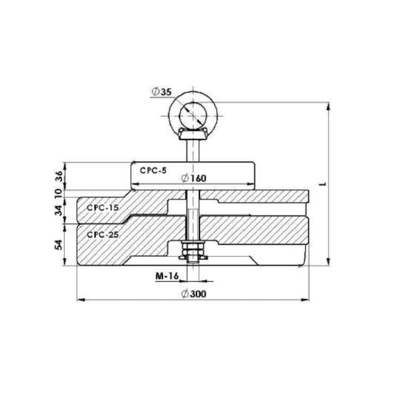
Los contrapesos cilíndricos son utilizados para contrapesar las cadenas de suspensión. Estos elementos se cuelgan de la grapa de suspensión mediante un enganche de contrapeso.

FICHA TÉCNICA


ReferenciaPeso (kg.)Numero de contrapesos
Tornillo CáncamoTamaño (mm.)
CPC-5CPC-15CPC-25L
CPC-120
120
114TC-16-340
390

También Podría Interesarte