-0%
CONTRAPESOS CILINDRICOS 180KG MODELO CPC-180 ARAGCU AT1
CONTRAPESOS CILINDRICOS 180KG MODELO CPC-180 ARAGCU AT2

CONTRAPESOS CILINDRICOS 180KG MODELO CPC-180 ARAGCU AT CONSULTAR STOCK POR SUCURSAL

ARAGCU ALTA TENSION
USD 7, 200.00

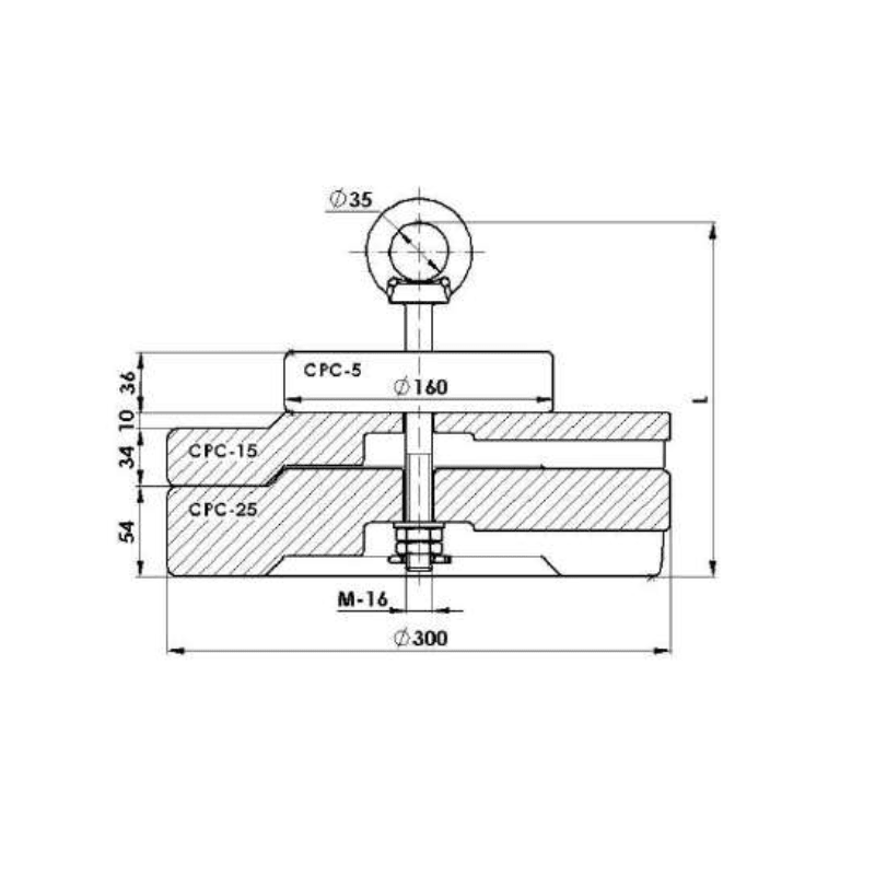
Los contrapesos cilíndricos son utilizados para contrapesar las cadenas de suspensión. Estos elementos se cuelgan de la grapa de suspensión mediante un enganche de contrapeso.

FICHA TÉCNICA


ReferenciaPeso (kg.)Numero de contrapesos
Tornillo CáncamoTamaño (mm.)
CPC-5CPC-15CPC-25L
CPC-180
1801-7TCC-16-480
530

También Podría Interesarte