-0%
CONTRAPESOS CILINDRICOS 200KG MODELO CPC-200 ARAGCU AT2
CONTRAPESOS CILINDRICOS 200KG MODELO CPC-200 ARAGCU AT1

CONTRAPESOS CILINDRICOS 200KG MODELO CPC-200 ARAGCU AT CONSULTAR STOCK POR SUCURSAL

ARAGCU ALTA TENSION
USD 8, 000.00

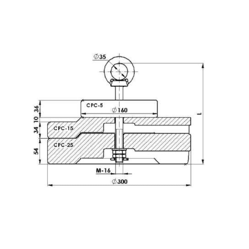
Los contrapesos cilíndricos son utilizados para contrapesar las cadenas de suspensión. Estos elementos se cuelgan de la grapa de suspensión mediante un enganche de contrapeso.

FICHA TÉCNICA


ReferenciaPeso (kg.)Numero de contrapesos
Tornillo CáncamoTamaño (mm.)
CPC-5CPC-15CPC-25L
CPC-200
200--8TCC-16-480
530

También Podría Interesarte