-0%
CONTRAPESOS CILINDRICOS 230KG MODELO CPC-230 ARAGCU AT1
CONTRAPESOS CILINDRICOS 230KG MODELO CPC-230 ARAGCU AT2

CONTRAPESOS CILINDRICOS 230KG MODELO CPC-230 ARAGCU AT CONSULTAR STOCK POR SUCURSAL

ARAGCU ALTA TENSION
USD 9, 200.00

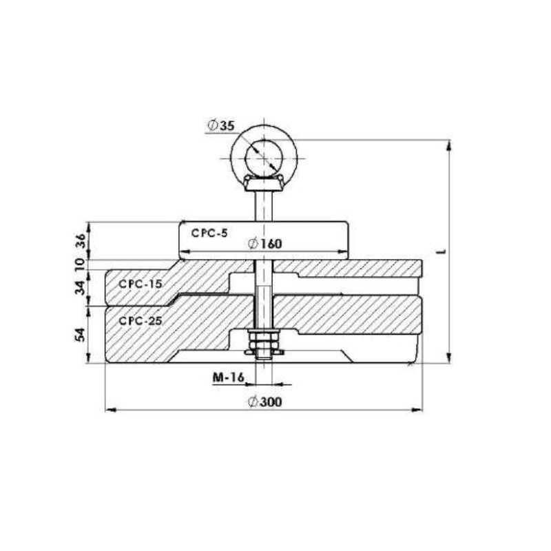
Los contrapesos cilíndricos son utilizados para contrapesar las cadenas de suspensión. Estos elementos se cuelgan de la grapa de suspensión mediante un enganche de contrapeso.

FICHA TÉCNICA


ReferenciaPeso (kg.)Numero de contrapesos
Tornillo CáncamoTamaño (mm.)
CPC-5CPC-15CPC-25L
CPC-230
230
1-9TCC-16-600
650

También Podría Interesarte