-0%
CONTRAPESOS CILINDRICOS 260KG MODELO CPC-260 ARAGCU AT1
CONTRAPESOS CILINDRICOS 260KG MODELO CPC-260 ARAGCU AT2

CONTRAPESOS CILINDRICOS 260KG MODELO CPC-260 ARAGCU AT CONSULTAR STOCK POR SUCURSAL

ARAGCU ALTA TENSION
USD 10, 400.00

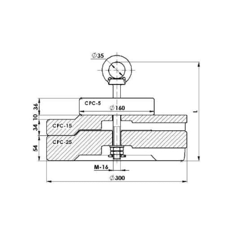
Los contrapesos cilíndricos son utilizados para contrapesar las cadenas de suspensión. Estos elementos se cuelgan de la grapa de suspensión mediante un enganche de contrapeso.

FICHA TÉCNICA


ReferenciaPeso (kg.)Numero de contrapesos
Tornillo CáncamoTamaño (mm.)
CPC-5CPC-15CPC-25L
CPC-260
2602-10TCC-16-650
700

También Podría Interesarte