-0%
CONTRAPESOS CILINDRICOS 290KG MODELO CPC-290 ARAGCU AT1
CONTRAPESOS CILINDRICOS 290KG MODELO CPC-290 ARAGCU AT2

CONTRAPESOS CILINDRICOS 290KG MODELO CPC-290 ARAGCU AT CONSULTAR STOCK POR SUCURSAL

ARAGCU ALTA TENSION
USD 11, 600.00

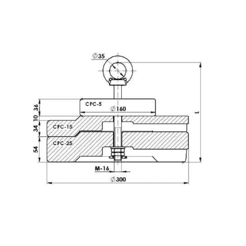
Los contrapesos cilíndricos son utilizados para contrapesar las cadenas de suspensión. Estos elementos se cuelgan de la grapa de suspensión mediante un enganche de contrapeso.

FICHA TÉCNICA


ReferenciaPeso (kg.)Numero de contrapesos
Tornillo CáncamoTamaño (mm.)
CPC-5CPC-15CPC-25L
CPC-290
290
-111TCC-16-700
750

También Podría Interesarte