-0%
DERIVACION EN T CABLE PASANTE A BORNA DERIVADA MDCBT-3060 ARAGCU AS2
DERIVACION EN T CABLE PASANTE A BORNA DERIVADA MDCBT-3060 ARAGCU AS1

DERIVACION EN T CABLE PASANTE A BORNA DERIVADA MDCBT-3060 ARAGCU AS CONSULTAR STOCK POR SUCURSAL

ARAGCU SUBESTACIONES
USD 250.00
Los conectores son empleados internacionalmente tanto para las conexiones Al.-Al. y Al.-Cu. por su fiabilidad e inmejorable comportamiento a efectos eléctricos y mecánicos. El diseño de estos conectores es tal que permite su aplicación en AT y MAT al encontrarse libres de la aparición de los efectos CORONA y/o RIV.   


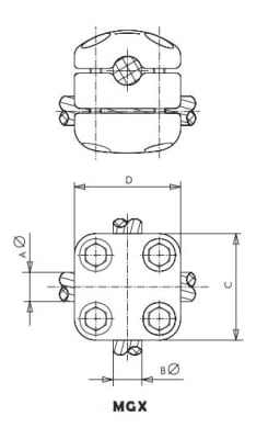
FICHA TÉCNICA


ReferenciaDimensiones mm.Par de apriete
Pareja de serraje
(kg.m)
CDE
Min.Max
MDCBT-3060
2830602251071005


También Podría Interesarte