-0%
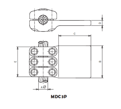
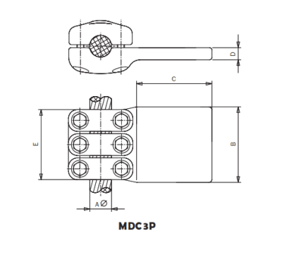
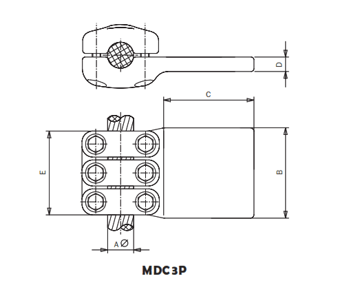
DERIVACION EN T CABLE PASANTE A PLETINA MDC3P-3588 ARAGCU AS1

DERIVACION EN T CABLE PASANTE A PLETINA MDC3P-3588 ARAGCU AS CONSULTAR STOCK POR SUCURSAL

ARAGCU SUBESTACIONES
USD 300.00
Los conectores son empleados internacionalmente tanto para las conexiones Al.-Al. y Al.-Cu. por su fiabilidad e inmejorable comportamiento a efectos eléctricos y mecánicos. El diseño de estos conectores es tal que permite su aplicación en AT y MAT al encontrarse libres de la aparición de los efectos CORONA y/o RIV.  


FICHA TÉCNICA


ReferenciaDimensiones mm.Par de apriete
Pareja de serraje
(kg.m)
BCDE
Min.Max
MDC3P-3588
3335125125151205



También Podría Interesarte