-0%
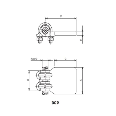
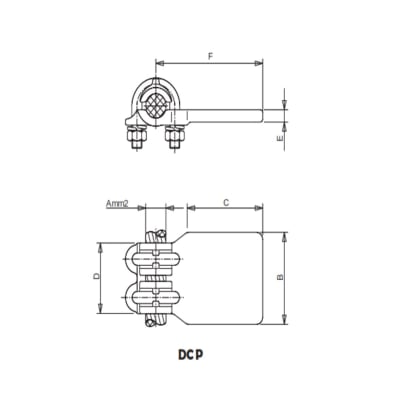
DERIVACION EN T PARA CABLE CU PASANTE A PLETINA Ø:300-400/40MM DCP-40022 ARAGCU AS1

DERIVACION EN T PARA CABLE CU PASANTE A PLETINA Ø:300-400/40MM DCP-40022 ARAGCU AS CONSULTAR STOCK POR SUCURSAL

ARAGCU SUBESTACIONES
USD 120.00
Los conectores de bronce son aptos para conexiones Cu.-Cu. entre los equipos y embarrados de SE´s de hasta 132KV. Su diseño y materiales empleados (2 o 3 tapetas independientes, Bronce: aleación de Cu. al 85%) garantizan el buen contacto y evitan las tensiones mecánicas  


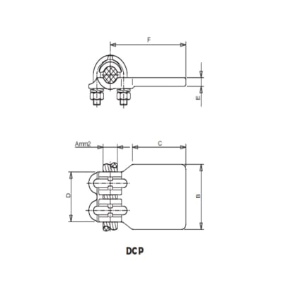
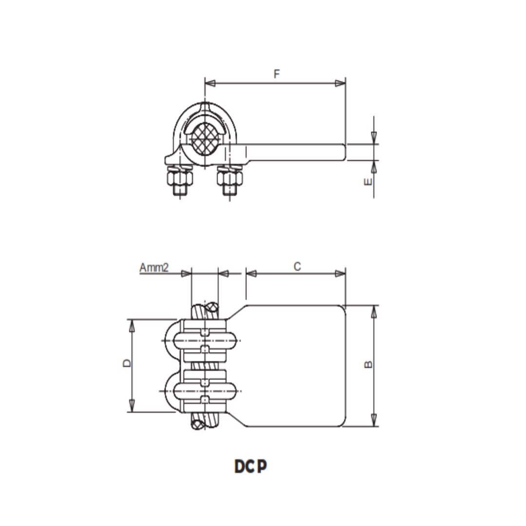
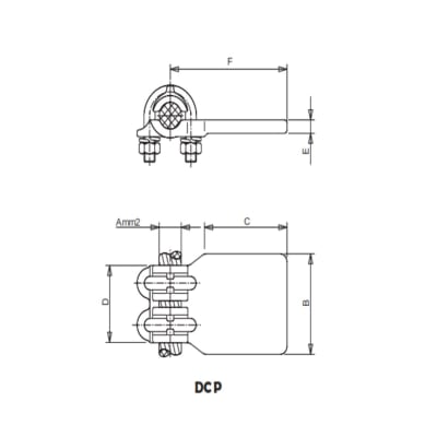
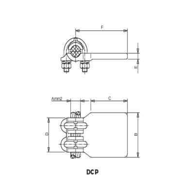
FICHA TÉCNICA


Referenciamm2Dimensione mm.Par de apriete
Pareja de serraje
(kg.m)
BCDEFINT.
A
DCP-40022
300-40040405510748002

También Podría Interesarte