-0%
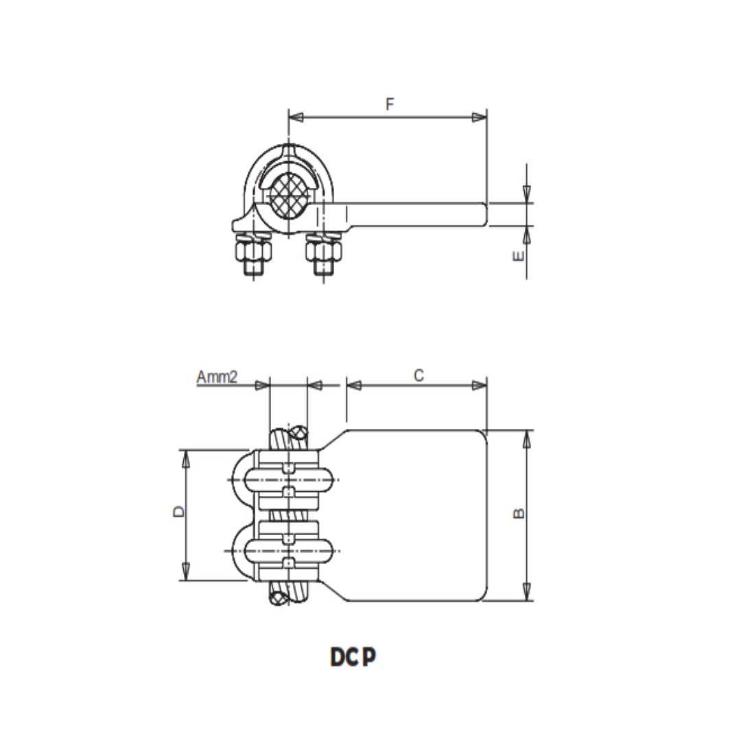
DERIVACION EN T PARA CABLE CU PASANTE A PLETINA Ø:500/60MM DCP-50046 ARAGCU AS1

DERIVACION EN T PARA CABLE CU PASANTE A PLETINA Ø:500/60MM DCP-50046 ARAGCU AS CONSULTAR STOCK POR SUCURSAL

ARAGCU SUBESTACIONES
USD 180.00
Los conectores de bronce son aptos para conexiones Cu.-Cu. entre los equipos y embarrados de SE´s de hasta 132KV. Su diseño y materiales empleados (2 o 3 tapetas independientes, Bronce: aleación de Cu. al 85%) garantizan el buen contacto y evitan las tensiones mecánicas  


FICHA TÉCNICA


Referenciamm2Dimensione mm.Par de apriete
Pareja de serraje
(kg.m)
BCDEFINT.
A
DCP-50046
50060100621014512503

También Podría Interesarte