-0%
ENLACES DE EXTENSION (PLATINA) 36KN L:550MM MODELO TA-4/550 ARAGCU AT1
ENLACES DE EXTENSION (PLATINA) 36KN L:550MM MODELO TA-4/550 ARAGCU AT2

ENLACES DE EXTENSION (PLATINA) 36KN L:550MM MODELO TA-4/550 ARAGCU AT CONSULTAR STOCK POR SUCURSAL

ARAGCU ALTA TENSION
USD 284.40

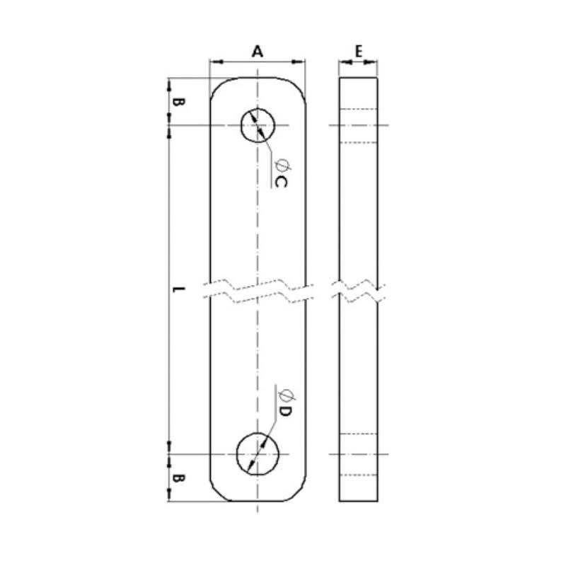
Estos accesorios se utilizan para alargar la cadena y, de este modo, adecuar la distancia de la cadena a la torre. Cuerpo: acero galvanizado en caliente. Tornillos y bulones: acero galvanizado en caliente. Pasadores: acero inoxidable o latón.


FICHA TÉCNICA


ReferenciaCódigoTamaño (mm)Carga de rotura   (KN)Peso (KG)
ABCDEH
TA-4/550
7118
60
4027
27
25550
36.000
7.11


También Podría Interesarte