-0%
ENLACES HORQUILLA OJO MODELO PS-12 ARAGCU HE1
ENLACES HORQUILLA OJO MODELO PS-12 ARAGCU HE2

ENLACES HORQUILLA OJO MODELO PS-12 ARAGCU HE CONSULTAR STOCK POR SUCURSAL

ARAGCU HERRAJES
USD 96.00
El pasador de chaveta de la horquilla paralela es de acero inoxidable, las otras partes son de acero galvanizado en caliente. Hay muchos tipos de horquillas de diferentes formas que se utilizan en líneas de transmisión.  


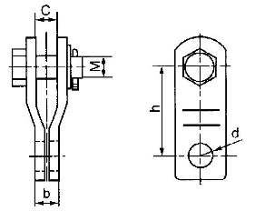
FICHA TÉCNICA

Cat. No.Dimensiones(mm)Carga de
Falla
Nominal
(KN)
Peso (KG)
CbMdh
PS-12
221622241201203.2


También Podría Interesarte