-0%
PERNOS U-BOLT MODELO U-1870 ARAGCU HE1
PERNOS U-BOLT MODELO U-1870 ARAGCU HE2

PERNOS U-BOLT MODELO U-1870 ARAGCU HE CONSULTAR STOCK POR SUCURSAL

ARAGCU HERRAJES
USD 25.80
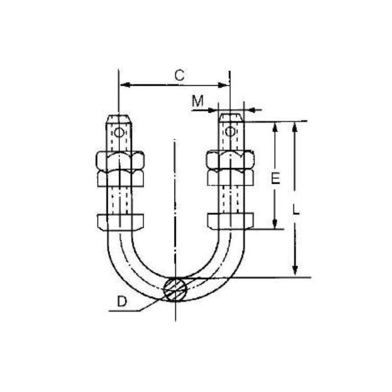
Abrazadera U-BOLT se han utilizado principalmente para soportar tuberías , tuberías por las que pasan fluidos y gases. Como tal, los pernos en U se midieron utilizando lenguaje de ingeniería de tuberías. Un perno en U se describiría por el tamaño de la tubería que soporta. Los pernos en U también se utilizan para sujetar las cuerdas.
La chaveta está hecha de acero inoxidable, otras partes están hechas de acero galvanizado en caliente.  


FICHA TÉCNICA


Cat. NoDimensiones(mm)U.T.S
(KN)
Peso
(KG)
CDELM
U-1870
70188013018600.86


También Podría Interesarte