-0%
PORTACABLE DUPLEX MONTADO SOBRE AISLADOR MPU-38 ARAGCU AS1

PORTACABLE DUPLEX MONTADO SOBRE AISLADOR MPU-38 ARAGCU AS CONSULTAR STOCK POR SUCURSAL

ARAGCU SUBESTACIONES
USD 450.00
Los conectores son empleados internacionalmente tanto para las conexiones Al.-Al. y Al.-Cu. por su fiabilidad e inmejorable comportamiento a efectos eléctricos y mecánicos. El diseño de estos conectores es tal que permite su aplicación en AT y MAT al encontrarse libres de la aparición de los efectos CORONA y/o RIV.  


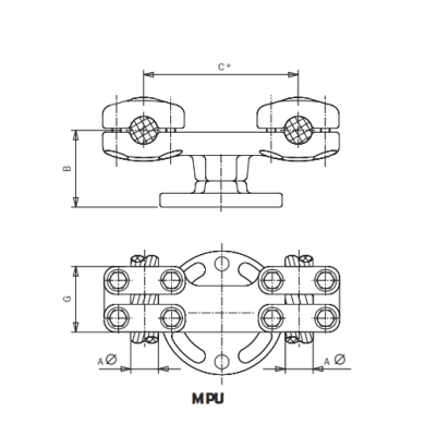
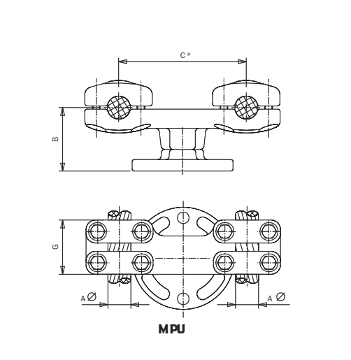
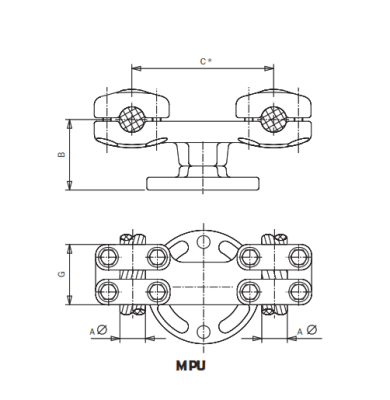
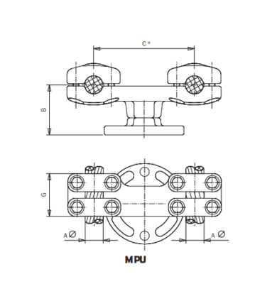
FICHA TÉCNICA



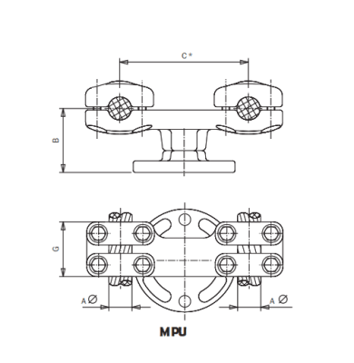
ReferenciaDimensiones mm.Par de   apriete
Pareja de serraje
(kg.m)
BC*G
A
MPU-38
36-38100SEGUN
NOTA
905




Nota
D*
1=100mm
15=150mm
2=200mm
3=300mm
33=330mm
4=400mm
45=450mm
   


1087614
15812718
26522518


También Podría Interesarte