-0%
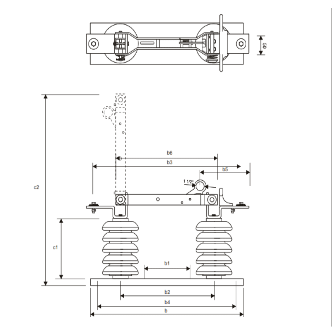
SECCIONADOR UNIPOLAR USO EXTERIOR TIPO 2-TXPSU 15/400 MELBAT2
SECCIONADOR UNIPOLAR USO EXTERIOR TIPO 2-TXPSU 15/400 MELBAT1

SECCIONADOR UNIPOLAR USO EXTERIOR TIPO 2-TXPSU 15/400 MELBAT CONSULTAR STOCK POR SUCURSAL

MELBAT
USD 0.00
Son fabricados tanto para uso interior (aisladores epóxicos) o uso exterior (aisladores de porcelana o con recubrimiento polimérico). Se ofrecen en tensiones de 12/15, 24 y 36 KV. y para intensidades de 400, 630 y 800 Amperios. Sus elementos vivos son de cobre y/o bronce y su diseño obedece a normas internacionales. Para uso en exteriores, los conductores son de doble cuchilla de cobre estañadas, los pernos, tuercas y arandelas son de acero inoxidable y la base de fierro es galvanizada en caliente.
Marca Mennekes
Tipo Enchufe industrial
Voltaje 250V
Amperaje 30A
Polos 3P+T
Medida Negro
Material PVC
Normativa UL651

FICHA TÉCNICA


También Podría Interesarte