-0%
SECCIONADOR UNIPOLAR USO EXTERIOR TIPO 2-TXPSU 36/630 MELBAT2
SECCIONADOR UNIPOLAR USO EXTERIOR TIPO 2-TXPSU 36/630 MELBAT1

SECCIONADOR UNIPOLAR USO EXTERIOR TIPO 2-TXPSU 36/630 MELBAT CONSULTAR STOCK POR SUCURSAL

MELBAT
USD 1, 250.25
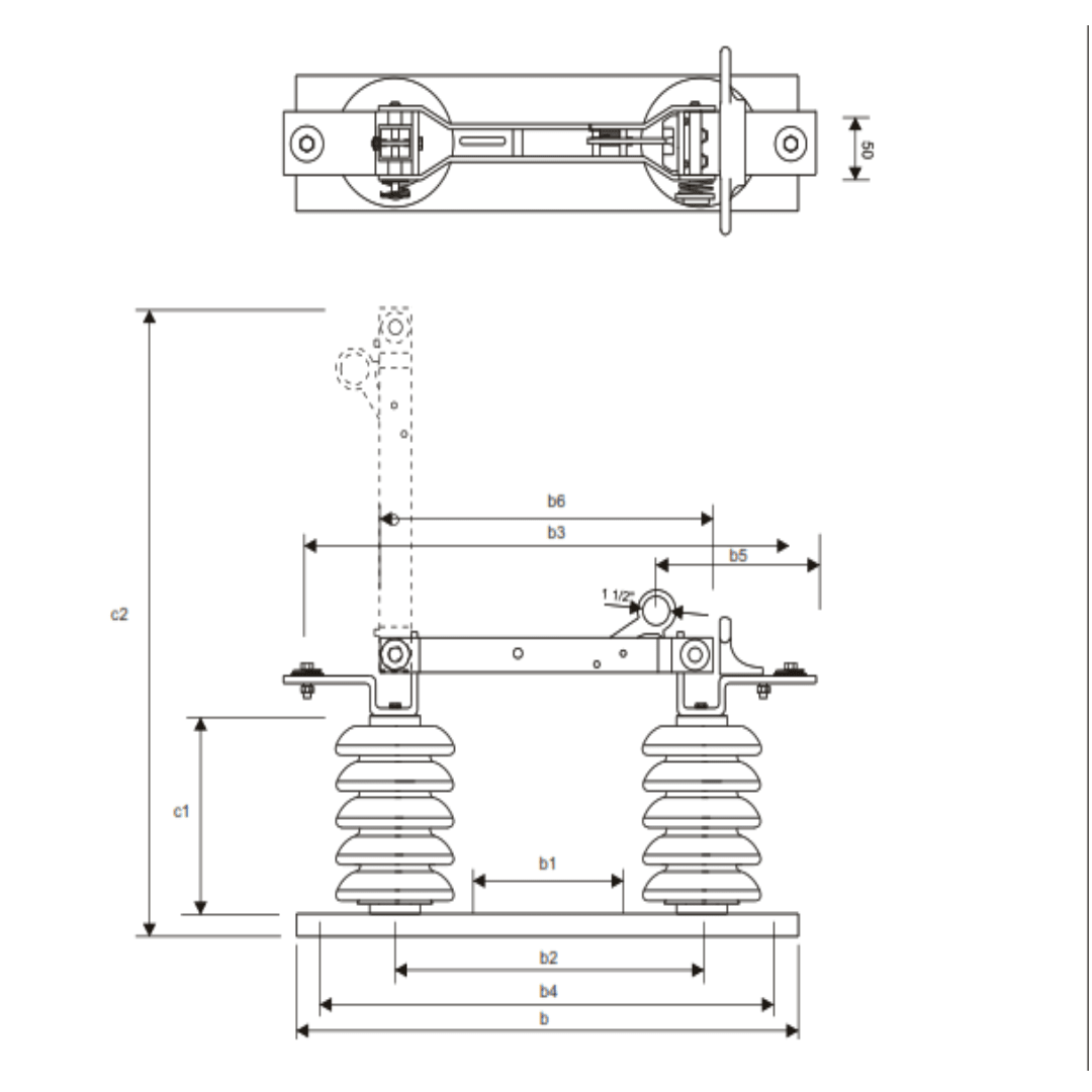
Son fabricados tanto para uso interior (aisladores epóxicos) o uso exterior (aisladores de porcelana o con recubrimiento polimérico). Se ofrecen en tensiones de 12/15, 24 y 36 KV. y para intensidades de 400, 630 y 800 Amperios.  Sus elementos vivos son de cobre y/o bronce y su diseño obedece a normas internacionales. Para uso en exteriores, los conductores son de doble cuchilla de cobre estañadas, los pernos, tuercas y arandelas son de acero inoxidable y la base de fierro es galvanizada en caliente.


 
MarcaMELBAT
ModeloTIPO 2-TXPSU 36/630
Tension nominal36kv
Intensidad nominal630amp
Basemetálica galvanizada en caliente.
NormativaIEC - 29


FICHA TÉCNICA


También Podría Interesarte