-0%
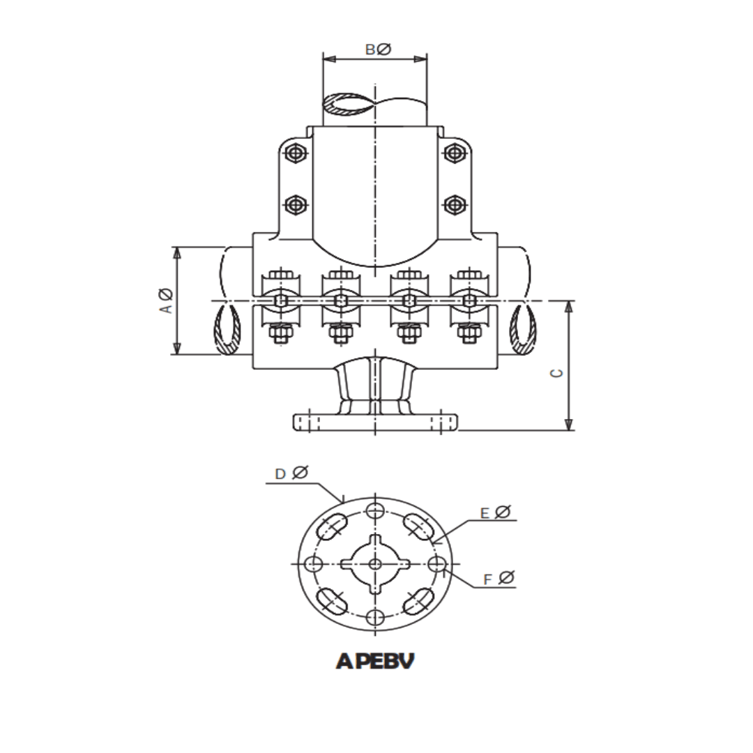
SOPORTE EN T PARA UNIÓN DE TUBOS AL Y OTRO VERTICAL MONTADO SOBRE AISLADOR APEBV-9060 ARAGCU AS1

SOPORTE EN T PARA UNIÓN DE TUBOS AL Y OTRO VERTICAL MONTADO SOBRE AISLADOR APEBV-9060 ARAGCU AS CONSULTAR STOCK POR SUCURSAL

ARAGCU SUBESTACIONES
USD 250.00
Los conectores son empleados internacionalmente tanto para las conexiones Al.-Al. y Al.-Cu. por su fiabilidad e inmejorable comportamiento a efectos eléctricos y mecánicos. El diseño de estos conectores es tal que permite su aplicación en AT y MAT al encontrarse libres de la aparición de los efectos CORONA y/o RIV. 


  

FICHA TÉCNICA


ReferenciaDimensiones mm.Par de   apriete
Pareja de serraje
(kg.m)
BC
P.A.
APEBV-9060
9060120SEGUN
NOTA
SEGUN
NOTA
SEGUN
NOTA
5




TIPO 11087614
TIPO 215812718


También Podría Interesarte