-0%
YUGOS ESPACIADORES Ø:16MM L:55X330MM MODELO YL-1 ARAGCU AT1
YUGOS ESPACIADORES Ø:16MM L:55X330MM MODELO YL-1 ARAGCU AT2

YUGOS ESPACIADORES Ø:16MM L:55X330MM MODELO YL-1 ARAGCU AT CONSULTAR STOCK POR SUCURSAL

ARAGCU ALTA TENSION
USD 115.60

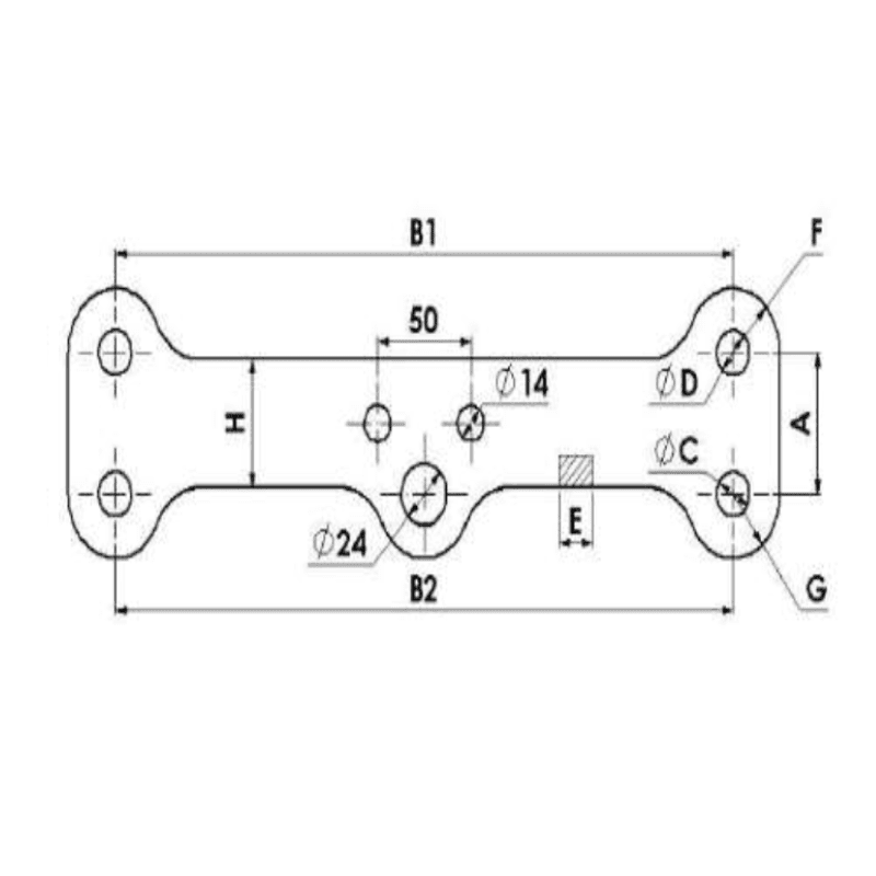
Estos yugos son utilizados para formar configuraciones con doble cadena de aisladores y conductor dúplex. Van provistos de taladros para alojar las protecciones.

FICHA TÉCNICA


ReferenciaCódigoTamaño (mm)Carga de rotura   (KN)Peso (KG)
AB1B2CDEFGH
YL-1
0109
5533033017,5
17,5
1625255028.000
2,89


También Podría Interesarte