-0%
YUGOS ESPACIADORES Ø:22MM L:75X500MM MODELO YL-3/500-400 ARAGCU AT1
YUGOS ESPACIADORES Ø:22MM L:75X500MM MODELO YL-3/500-400 ARAGCU AT2

YUGOS ESPACIADORES Ø:22MM L:75X500MM MODELO YL-3/500-400 ARAGCU AT CONSULTAR STOCK POR SUCURSAL

ARAGCU ALTA TENSION
USD 267.20

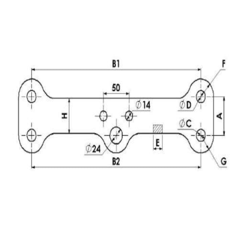
Estos yugos son utilizados para formar configuraciones con doble cadena de aisladores y conductor dúplex. Van provistos de taladros para alojar las protecciones.

FICHA TÉCNICA


ReferenciaCódigoTamaño (mm)Carga de rotura   (KN)Peso (KG)
AB1B2CDEFGH
YL-3 / 500-400
7035
7550040020
20
2230306036.000
6,68


También Podría Interesarte