-0%
YUGOS TRIANGULARES Ø:16MM L:90X330MM MODELO Y-16/330-14 ARAGCU AT1
YUGOS TRIANGULARES Ø:16MM L:90X330MM MODELO Y-16/330-14 ARAGCU AT2

YUGOS TRIANGULARES Ø:16MM L:90X330MM MODELO Y-16/330-14 ARAGCU AT CONSULTAR STOCK POR SUCURSAL

ARAGCU ALTA TENSION
USD 166.80

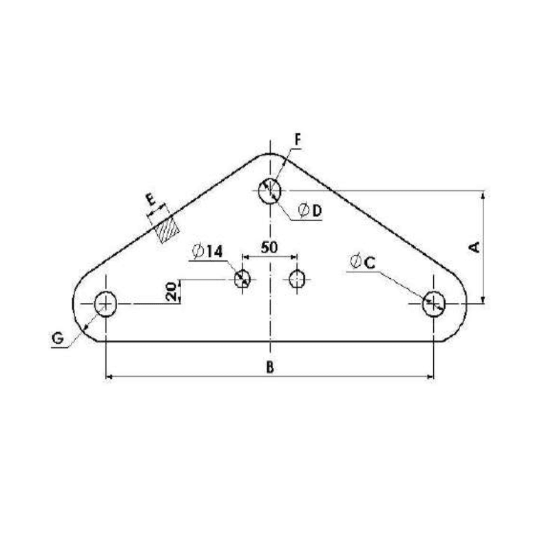
Estos yugos son utilizados para formar configuraciones con doble cadena de aisladores y conductor sencillo o bien cadena de aisladores simple y doble conductor. Van provistos de taladros para alojar las protecciones.

FICHA TÉCNICA


ReferenciaCódigoTamaño (mm)Carga de rotura   (KN)Peso (KG)
ABCDEFG
Y-16 / 330-14
3255
9033017,5
17,5
16252514.000
4.17


También Podría Interesarte