-0%
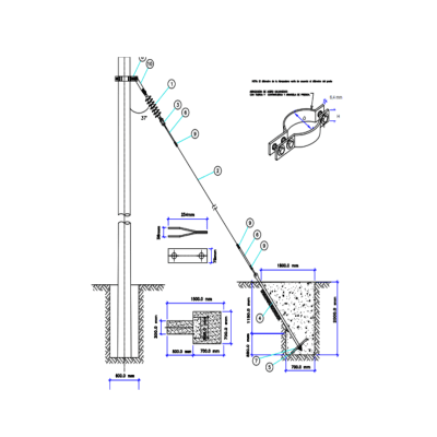
ARMADO TIPO ABD8 BIFASICO DUO DE MEDIA TENSION GALV CALIENTE ARAGCU AR1

ARMADO TIPO ABD8 BIFASICO DUO DE MEDIA TENSION GALV CALIENTE ARAGCU AR CONSULTAR STOCK POR SUCURSAL

ARAGCU ARMADOS
USD 0.00
Desde el proceso de generación de energía eléctrica, su transmisión y distribución a nivel local, Suministro de energía a instalaciones y equipos de uso final que suple las necesidades energéticas del comercio, la industria. Distribución primaria: Se denomina distribución primaria a las redes y estructuras asociadas, generalmente toman energía desde subestaciones de distribución con capacidad suficiente para abastecer zonas geográficas dentro de áreas pobladas Distribución secundaria: Se denomina distribución secundaria a las redes eléctricas y estructuras asociadas, que toman energía desde transformadores de distribución con capacidad suficiente para uno o varios usuarios

Las dimensiones en mm
- Todos los Elementos son Galvanizados por inmersión en caliente, según ASTM A. 153 - 82
- LA FABRICACIÓN DE BASTIDORES SE HARÁ DE ACUERDO AL REQUERIMIENTO  DEL CLIENTE

 

FICHA TÉCNICA

Tipo de productoArmado Bifasico
ModeloABD8
MaterialFierro
AcabadoGalvanizado en caliente

También Podría Interesarte