-0%
ARMADO TIPO ATT3M TRIFASICO TRIO DE MEDIA TENSION GALV CALIENTE ARAGCU AR1

ARMADO TIPO ATT3M TRIFASICO TRIO DE MEDIA TENSION GALV CALIENTE ARAGCU AR CONSULTAR STOCK POR SUCURSAL

ARAGCU ARMADOS
USD 0.00

Desde el proceso de generación de energía eléctrica, su transmisión y distribución a nivel local, Suministro de energía a instalaciones y equipos de uso final que suple las necesidades energéticas del comercio, la industria. Distribución primaria: Se denomina distribución primaria a las redes y estructuras asociadas, generalmente toman energía desde subestaciones de distribución con capacidad suficiente para abastecer zonas geográficas dentro de áreas pobladas Distribución secundaria: Se denomina distribución secundaria a las redes eléctricas y estructuras asociadas, que toman energía desde transformadores de distribución con capacidad suficiente para uno o varios usuarios.

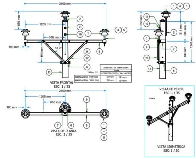
Las dimensiones en mm
- Todos los Elementos son Galvanizados por inmersión en caliente, según ASTM A. 153 - 82
- LA FABRICACIÓN DE BASTIDORES SE HARÁ DE ACUERDO AL REQUERIMIENTO  DEL CLIENTE


FICHA TÉCNICA

Tipo de productoArmado trifasico
ModeloATT3M
MaterialFierro
AcabadoGalvanizado en caliente


También Podría Interesarte