-0%
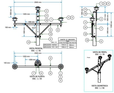
ARMADO TIPO AT3M TRIFASICO DE MEDIA TENSION AT (30°-60°)GALV CALIENTE ARAGCU AR1

ARMADO TIPO AT3M TRIFASICO DE MEDIA TENSION AT (30°-60°)GALV CALIENTE ARAGCU AR CONSULTAR STOCK POR SUCURSAL

ARAGCU ARMADOS
USD 0.00
Desde el proceso de generación de energía eléctrica, su transmisión y distribución a nivel local, Suministro de energía a instalaciones y equipos de uso final que suple las necesidades energéticas del comercio, la industria. Distribución primaria: Se denomina distribución primaria a las redes y estructuras asociadas, generalmente toman energía desde subestaciones de distribución con capacidad suficiente para abastecer zonas geográficas dentro de áreas pobladas Distribución secundaria: Se denomina distribución secundaria a las redes eléctricas y estructuras asociadas, que toman energía desde transformadores de distribución con capacidad suficiente para uno o varios usuarios

Las dimensiones en mm
- Todos los Elementos son Galvanizados por inmersión en caliente, según ASTM A. 153 - 82
- LA FABRICACIÓN DE BASTIDORES SE HARÁ DE ACUERDO AL REQUERIMIENTO  DEL CLIENTE

 

FICHA TÉCNICA


Tipo de productoArmado trifasico
ModeloAT3M
MaterialFierro
AcabadoGalvanizado en caliente


También Podría Interesarte