-0%
ARMADO TIPO AE ESTRUCTURA DE ALINEAMIENTO CON EXTENSOR GALV CALIENTE ARAGCU AR1

ARMADO TIPO AE ESTRUCTURA DE ALINEAMIENTO CON EXTENSOR GALV CALIENTE ARAGCU AR CONSULTAR STOCK POR SUCURSAL

ARAGCU ARMADOS
USD 0.00
Armados de estructuras de redes
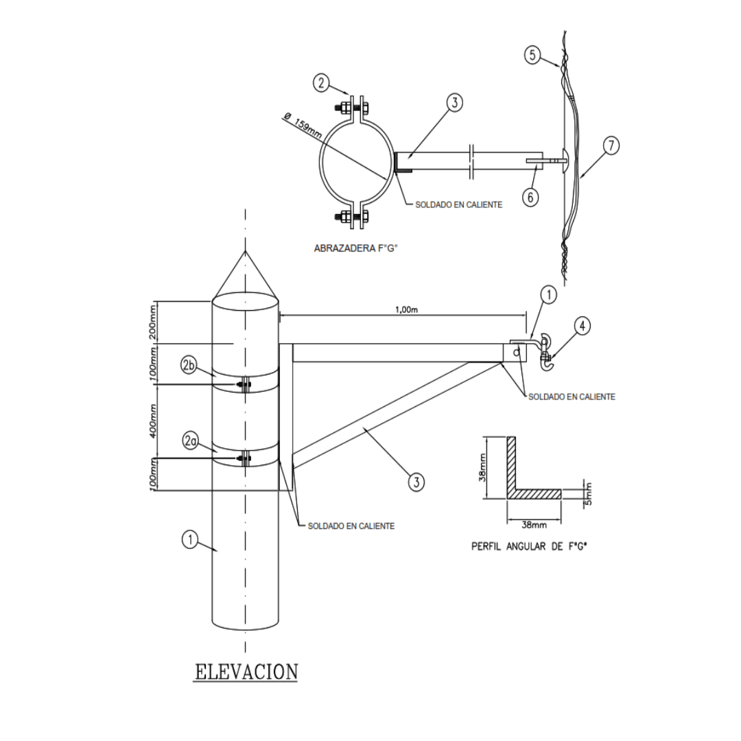
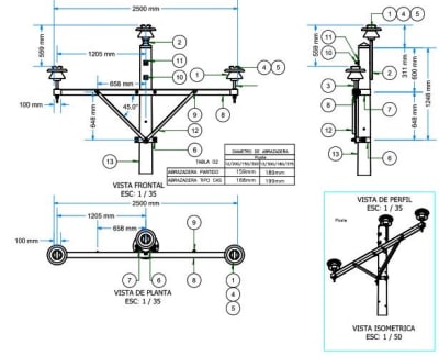
Líneas y redes primarias.
Soportes normalizados para líneas y redes primarias y secundarias.
Estos armados definen las condiciones técnicas mínimas para el diseño de líneas y redes primarias aéreas en 22,9 kV y 22,9/13,2 kV, de tal manera que garanticen los niveles mínimos de seguridad para las personas y las propiedades, y el cumplimiento de los requisitos exigidos para un sistema económicamente adaptado. 


Las dimensiones en mm
- Todos los Elementos son Galvanizados por inmersión en caliente, según ASTM A. 153 - 82
- LA FABRICACIÓN DE BASTIDORES SE HARÁ DE ACUERDO AL REQUERIMIENTO  DEL CLIENTE

FICHA TÉCNICA

Tipo de productoArmado extensor
ModeloAE
MaterialFierro
AcabadoGalvanizado en caliente


También Podría Interesarte