-0%
CONECTOR ACODADO A 90° CABLE A PLETINA MLC3P-3266 ARAGCU AS1
CONECTOR ACODADO A 90° CABLE A PLETINA MLC3P-3266 ARAGCU AS2
CONECTOR ACODADO A 90° CABLE A PLETINA MLC3P-3266 ARAGCU AS3

CONECTOR ACODADO A 90° CABLE A PLETINA MLC3P-3266 ARAGCU AS CONSULTAR STOCK POR SUCURSAL

ARAGCU SUBESTACIONES
USD 250.00
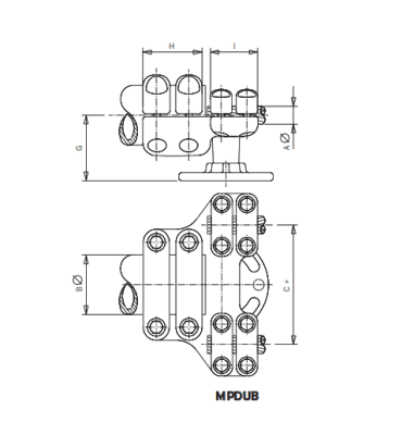
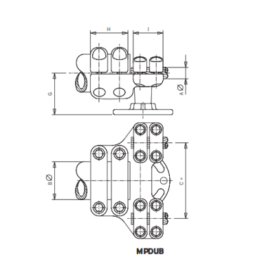
Los conectores son empleados internacionalmente tanto para las conexiones Al.-Al. y Al.-Cu. por su fiabilidad e inmejorable comportamiento a efectos eléctricos y mecánicos. El diseño de estos conectores es tal que permite su aplicación en AT y MAT al encontrarse libres de la aparición de los efectos CORONA y/o RIV. 


FICHA TÉCNICA



ReferenciaDimensionesPar de apriete
Pareja de serraje
(kg.m)
BCDD
Min.Max
MLC3P-3266
3132100100201285


También Podría Interesarte